提供專業控制閥解決方案! 銷售熱線:021-5186 3046
上海川滬閥門有限公司
ShangHai Chuanhu Valve CO.,LTD
我們做的不僅是產品還是解決方案
川滬閥門品牌:電動球閥、電動蝶閥、氣動球閥、氣動蝶閥、電動調節閥、氣動調節閥
自力式調節閥、快速切斷閥、低溫閥門、耐腐蝕閥門、衛生級閥門、截止閥、閘閥
電動執行器、氣動執行器
手輪機構
一、手輪機構 產品概述
上海川滬閥門有限公司生產的手輪機構當調節機構失靈時,如氣源中斷,控制系統失靈及執行機構膜片損失時,可將氣動調節閥切換成手動操作,使工藝過程正常進行。
采用手輪機構可以用來阻止閥的開度;在某些調節系統(如低壓常溫、無腐蝕、無粘結的干凈介質,大口徑管路)采用手輪機構來代替旁通管路,節省投資。
產品特點
1、體積小、重量輕、設計合理、式樣新穎;
2、產品系列化,輸出轉矩與氣動裝置,各種閥門匹配。
3、蝸輪連接內孔有相隔90度的兩個鍵槽,以便用戶根據需要選擇裝置同閥體的相對位置。
4、可自由切換手動和氣動:提起限位銷,旋轉偏心裝置180度,限位銷自動限位,實現氣動;反之,實現手動;
5、產品出廠時,裝有專用潤滑脂,與閥裝配后,整體密封、防塵、防水。
6、防護等為IP65。
二、手輪機構 產品圖片
![]() |
| 手輪機構 |
三、手輪機構 使用說明
1、減速器底面與閥門連接,支架面與氣缸連接,閥軸也蝸輪內孔配合穿過,閥軸端四方與氣缸方孔配合:(工作過程:氣動時氣缸帶動閥軸,蝸輪同轉。手動時蝸桿與蝸輪嚙合,帶動閥軸轉動,氣缸活塞亦隨動。
2、轉動手柄(外轉180度)在合上蝸桿上,會出現柄齒現象,需轉動手輪一個角度即可合上。
3、減速器的支架蓋有三種,用戶可根據需要選用,配置不同型號的氣缸。
4、氣動與手動不能同時驅動。
四、手輪機構 技術參數
| 型號 | 速比 | 輸入扭矩(N·M) | 輸出鈕矩(N·M) | 手輪直徑(mm) | 重量(kg) |
|---|---|---|---|---|---|
| LH26 | 26:1 | 70 | 300 | 200 | 13 |
| LH38 | 30:1 | 60 | 500 | 200 | |
| 75 | 600 | 250 | |||
| 90 | 700 | 300 | 17 | ||
| LH54 | 54:1 | 100 | 1000 | 250 | |
| 120 | 1200 | 300 | |||
| LH80A | 80:1 | 110 | 1600 | 300 | 22 |
| 140 | 2000 | 400 | |||
| LH78 | 70:1 | 200 | 3100 | 600 |
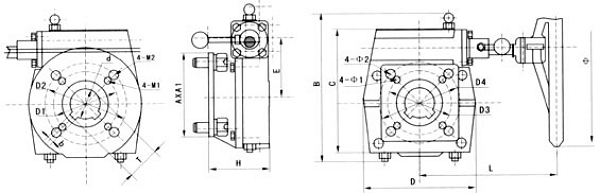
五、手輪機構 結構圖
![]() |
六、手輪機構 安裝尺寸
| 型號 | 中心孔參數 | 與閥連接尺寸 | 支架面連接尺寸(與執行器連接) | 離合器外形尺寸 | ||||||||||||||
|---|---|---|---|---|---|---|---|---|---|---|---|---|---|---|---|---|---|---|
| D | b | T | D1 | 4-M1 | D2 | 4-M2 | A×A1 | D3 | 4-Φ1 | D4 | 4-Φ2 | H1 | L | B | C | D | E | |
| LH26 | 22.2 | 8 | 25.5 | 70 | 4-M8 | / | / | 64×64 | 70 | 4-9 | / | 1 | 82 | 192 | 166 | 130 | 104 | 50.5 |
| LH38 | 38 | 10 | 41.3 | / | / | 102 | 4-M10 | 110×110 | / | / | 125 | 4-14 | 82 | 225 | 191 | 156 | 125 | 65.5 |
| LH54 | 48 | 14 | 51.8 | 102 | 4-M10 | 140 | 4-M16 | 130×30 | / | / | 140 | 4-18 | 95 | 233 | 234 | 199 | 175 | 85.5 |
| LH80A | 60 | 18 | 64.4 | 165 | 4-M20 | / | / | 165×156 | 165 | 4-22 | / | / | 114 | 277 | 311 | 279 | 234 | 123 |
| LH78 | 76.2 | 19 | 85.7 | 165 | 4-M20 | / | / | 156×156 | 165 | 4-22 | / | / | 120 | 323 | 350 | 322 | 276 | 141.6 |
注:由于產品改進技術創新參數可能有一定變化,公司不另行通知,請咨詢公司技術部門索取新數據。
相關產品推薦
| AT型氣動執行器 | AW型氣動執行器 | |||
| 手輪機構 | 電磁換向閥 | 氣源三聯件 | 限位開關 | 定位器 |
| ZHA\B型氣動薄膜執行器 | ZS型氣動活塞執行器 | |||
| 頂裝手輪 | HEP型定位器 | YT型定位器 | 西門子定位器 |
下載:上海川滬閥門有限公司-產品樣本-手輪機構.PDF
手輪機構鏈接:http://www.danney.cn/products/qidongzhixingqi/sljg.html


