提供專業控制閥解決方案! 銷售熱線:021-5186 3046
上海川滬閥門有限公司
ShangHai Chuanhu Valve CO.,LTD
我們做的不僅是產品還是解決方案
川滬閥門品牌:電動球閥、電動蝶閥、氣動球閥、氣動蝶閥、電動調節閥、氣動調節閥
自力式調節閥、快速切斷閥、低溫閥門、耐腐蝕閥門、衛生級閥門、截止閥、閘閥
電動執行器、氣動執行器
川滬閥門
焊接蝶閥
一、焊接蝶閥 產品概述
焊接蝶閥D363H硬密封焊接蝶閥適用于高溫、高壓、防火、保溫等管道上作啟閉或調節介質之用。具有結構緊湊、體積小、重量輕、操作靈活、使用方便;采用三維偏心彈性或多層次硬密封結構,其密封性能可靠達到零泄漏;具有耐高溫、高壓、耐腐蝕、耐磨損等特點。
二、焊接蝶閥 產品圖片
![]() |
| 焊接蝶閥 |
二、焊接蝶閥 技術參數
| 公稱通徑DN(mm) | DN(100~1200)mm、in4-48 |
|---|---|
| 公稱壓力PN(MPa) | 強度試驗(1.5×PN)密封試驗(1.1×PN) |
| 適用溫度 | 碳鋼:-29℃~425℃,不銹鋼:-40℃~600℃ |
| 適用介質 | 水、熱水、蒸汽、油品 |
| 焊接標準 | GB12224、ANSI B16.25、DIN2559 |
| 壓力等級 | ANSI 150LB磅級/PN25 |
| 驅動形式 | 蝸輪傳動、氣動、電動 |
三、焊接蝶閥 零部件參數
| 閥體 | 碳鋼、不銹鋼、鉻鉬鋼 |
|---|---|
| 蝶板 | 碳鋼、合金鋼、鉻鉬鋼 |
| 閥座 | 不銹鋼、鈷基硬質合金 |
| 軸套 | 不銹鋼 |
| 閥桿 | 不銹鋼、特殊材料 |
| 填料 | 柔性石墨 |
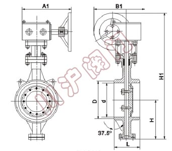
四、焊接蝶閥 結構圖
![]() |
五、焊接蝶閥 連接尺寸
| 公稱壓力 | PN1.6 | ||||||||
|---|---|---|---|---|---|---|---|---|---|
| 公稱通徑 | 外形尺寸(參考值) | 重量(kg) | |||||||
| 毫米 | 英寸 | L | D | d | H | H1 | A | B | |
| 80 | 3 | 180 | 90 | 78 | 90 | 356 | 180 | 200 | 27 |
| 100 | 4 | 190 | 110 | 96 | 100 | 375 | 180 | 200 | 34 |
| 125 | 5 | 200 | 135 | 121 | 113 | 401 | 180 | 200 | 41 |
| 150 | 6 | 210 | 161 | 146 | 130 | 450 | 270 | 280 | 43 |
| 200 | 8 | 230 | 222 | 202 | 205 | 545 | 400 | 425 | 81 |
| 250 | 10 | 250 | 278 | 254 | 235 | 630 | 400 | 425 | 102 |
| 300 | 12 | 270 | 330 | 303 | 275 | 715 | 450 | 560 | 132 |
| 350 | 14 | 290 | 382 | 351 | 309 | 817 | 450 | 560 | 164 |
| 400 | 16 | 310 | 432 | 398 | 346 | 923 | 535 | 580 | 193 |
| 450 | 18 | 330 | 484 | 450 | 932 | 1059 | 535 | 580 | 238 |
| 500 | 20 | 350 | 535 | 501 | 427 | 1126 | 535 | 580 | 302 |
| 600 | 24 | 390 | 636 | 602 | 509 | 1369 | 570 | 660 | 457 |
| 700 | 28 | 430 | 726 | 692 | 572 | 1492 | 750 | 550 | 810 |
| 800 | 32 | 470 | 826 | 792 | 638 | 1622 | 750 | 550 | 1093 |
| 900 | 36 | 510 | 926 | 892 | 700 | 1924 | 750 | 550 | 1410 |
| 1000 | 40 | 550 | 1028 | 992 | 765 | 2054 | 900 | 750 | 1870 |
| 1200 | 48 | 630 | 1228 | 1192 | 860 | 2259 | 1000 | 925 | 2082 |
| 1400 | 56 | 710 | 1428 | 1392 | 986 | 2610 | 1000 | 925 | 2850 |
| 1600 | 64 | 790 | 1628 | 1592 | 1106 | 2856 | 1000 | 925 | 4235 |
| 1800 | 72 | 870 | 1828 | 1792 | 1226 | 3121 | 1100 | 980 | 5346 |
| 2000 | 80 | 950 | 2028 | 1992 | 1345 | 3385 | 1100 | 980 | 7328 |
| 公稱壓力 | PN2.5 | ||||||||
|---|---|---|---|---|---|---|---|---|---|
| 通徑 | 外形尺寸(參考值) | 重量(kg) | |||||||
| 毫米 | 英寸 | L | D | d | H | H1 | A | B | |
| 80 | 3 | 180 | 90 | 78 | 90 | 356 | 180 | 200 | 38 |
| 100 | 4 | 190 | 110 | 96 | 106 | 387 | 180 | 200 | 40 |
| 125 | 5 | 200 | 135 | 121 | 122 | 413 | 180 | 200 | 60 |
| 150 | 6 | 210 | 161 | 146 | 136 | 459 | 270 | 280 | 65 |
| 200 | 8 | 230 | 222 | 202 | 215 | 585 | 400 | 425 | 85 |
| 250 | 10 | 250 | 278 | 254 | 247 | 649 | 400 | 425 | 135 |
| 300 | 12 | 270 | 330 | 303 | 288 | 771 | 450 | 560 | 175 |
| 350 | 14 | 290 | 382 | 351 | 333 | 929 | 450 | 560 | 195 |
| 400 | 16 | 310 | 432 | 398 | 359 | 993 | 535 | 580 | 295 |
| 450 | 18 | 330 | 484 | 450 | 405 | 1053 | 535 | 580 | 350 |
| 500 | 20 | 350 | 535 | 501 | 444 | 1245 | 535 | 580 | 510 |
| 600 | 24 | 390 | 636 | 602 | 521 | 1750 | 570 | 660 | 625 |
| 700 | 28 | 430 | 726 | 692 | 586 | 1519 | 750 | 550 | 925 |
| 800 | 32 | 470 | 826 | 792 | 659 | 1659 | 750 | 550 | 1260 |
| 900 | 36 | 510 | 926 | 892 | 720 | 1829 | 750 | 550 | 1790 |
| 1000 | 40 | 550 | 1028 | 992 | 780 | 1949 | 900 | 750 | 1940 |
| 1200 | 48 | 630 | 1228 | 1192 | 889 | 2243 | 1000 | 925 | 2810 |
| 1400 | 56 | 710 | 1428 | 1392 | 1000 | 2462 | 1000 | 925 | 3500 |
| 公稱壓力 | PN4.0 | ||||||||
|---|---|---|---|---|---|---|---|---|---|
| 通徑 | 外形尺寸(參考值) | 重量(kg) | |||||||
| 毫米 | 英寸 | L | D | d | H | H1 | A | B | |
| 80 | 3 | 180 | 90 | 78 | 108 | 430 | 180 | 200 | 39 |
| 100 | 4 | 190 | 110 | 96 | 108 | 392 | 180 | 200 | 50 |
| 125 | 5 | 200 | 135 | 120 | 120 | 414 | 180 | 200 | 75 |
| 150 | 6 | 210 | 161 | 145 | 135 | 494 | 270 | 280 | 100 |
| 200 | 8 | 230 | 222 | 200 | 202 | 578 | 400 | 425 | 135 |
| 250 | 10 | 250 | 278 | 252 | 235 | 673 | 400 | 425 | 190 |
| 300 | 12 | 270 | 330 | 301 | 280 | 793 | 450 | 560 | 240 |
| 350 | 14 | 290 | 382 | 351 | 315 | 921 | 450 | 560 | 320 |
| 400 | 16 | 310 | 432 | 398 | 355 | 1021 | 535 | 580 | 450 |
| 450 | 18 | 330 | 484 | 448 | 370 | 1143 | 535 | 580 | 500 |
| 500 | 20 | 350 | 535 | 495 | 420 | 1192 | 535 | 580 | 560 |
| 600 | 24 | 390 | 636 | 595 | 490 | 1327 | 570 | 660 | 720 |
六、焊接蝶閥 安裝說明
1、安裝前應核對蝶閥之規格、材料是否與設計相符合。
2、并于安裝前將內部之砂塵、異物及雜屑清理干凈,以免造成動作不順或產生泄漏。
3、安裝前其相關之配管應按規定做適當之懸吊固定,以避免安裝后對閥產生不當之應力。
4、配管之兩法蘭面間必須平行對準同心。
5、安裝時蝶閥與法蘭間無需另行加裝墊片。
6、蝶閥與逆止閥或泵浦近接之處,在二者中間使用漸擴接頭,閥盤開關扭轉才不會受到阻
礙。
下載:上海川滬閥門有限公司-產品樣本-焊接蝶閥.PDF
焊接蝶閥鏈接:http://www.danney.cn/products/diefa/d363h.html
相關產品
| 軟密封蝶閥 | 硬密封蝶閥 | 通風蝶閥 | 焊接蝶閥 | 三偏心蝶閥 |

