提供專業控制閥解決方案! 銷售熱線:021-5186 3046
上海川滬閥門有限公司
ShangHai Chuanhu Valve CO.,LTD
我們做的不僅是產品還是解決方案
川滬閥門品牌:電動球閥、電動蝶閥、氣動球閥、氣動蝶閥、電動調節閥、氣動調節閥
自力式調節閥、快速切斷閥、低溫閥門、耐腐蝕閥門、衛生級閥門、截止閥、閘閥
電動執行器、氣動執行器
通風蝶閥
一、通風蝶閥 產品概述
上海川滬閥門有限公司生產的通風蝶閥采用與閥體相同材料加工成密封圈,其適用溫度隨閥體選材而定,公稱壓力≤0.6MPa。手動通風蝶閥一般適用于工業、冶金、環保等管道作通風調節介質流量之用。手動通風蝶閥其主要特點為:
1、設計新穎、合理、結構獨特,重量輕,啟閉迅速。
2、操力矩小,操作方便,省力靈巧。
3、采用適應的材料以滿足低、中、高不同介質溫度其及腐蝕性介質等。
二、通風蝶閥 產品圖片
![]() |
![]() |
| 通風蝶閥(碳鋼法蘭連接) | 通風蝶閥(不銹鋼法蘭連接) |
三、通風蝶閥 主要技術參數
| 公稱通徑 | DN(mm) | 50~2000 | ||
|---|---|---|---|---|
| 公稱壓力 | PN(MPa) | 0.05 | 0.25 | 0.6 |
| 試驗壓力 | 強度試驗 | 0.075 | 0.375 | 0.9 |
| 密封試驗 | ≤1%泄漏量 | |||
| 適用介質 | 煤氣、含塵氣體、煙道氣等。 | |||
| 驅動形式 | 手動、蝸桿蝸輪傳動、氣傳動、電傳動。 | |||
四、通風蝶閥 零部件材質
| 零件名稱 | 材料 |
|---|---|
| 閥體 | 鑄鋼、不銹鋼、鉻鎳鉬鈦鋼、鉻鉬鈦鋼等特殊材料 |
| 蝶板 | 鑄鋼、不銹鋼、鉻鎳鉬鈦鋼、鉻鉬鈦鋼等特殊材料 |
| 密封圈 | 與閥體相同 |
| 閥桿 | 碳鋼、2Cr13、不銹鋼、鉻鎳鉬鈦鋼 |
| 填料 | 氟塑料、柔性石墨 |
五、通風蝶閥 適用溫度
| 材料品種 | 碳素鋼 | 低溫碳鋼 | 合金鋼 | 奧氏體不銹鋼 | 鉻鉬鋼 | |
|---|---|---|---|---|---|---|
| 代號 | WCB | LCB | WC6或 WC9 | C5或or C12 | 鉻Cr-18型e、304、316 | 12CrMoV |
| 耐高溫度 | 425℃ | 345℃ | 595℃ | 650℃ | 600℃ | 560℃ |
| 耐低溫度e | -29℃ | -46℃ | -29℃ | -29℃ | -196℃ | -40℃ |
| 適用工作溫度 | ≤425℃ | ≤345℃ | ≤595℃ | ≤650℃ | ≤600℃ | ≤560℃ |
六、通風蝶閥 執行標準
| 設計標準 | GB/T2238-1989 |
|---|---|
| 法蘭連接尺寸 | GB/T9113.1-2000;GB/T9115.1-2000;JB78 |
| 結構長度 | GB/T12221-1989 |
| 壓力試驗 | GB/T13927-1992;JB/T9092-1999 |
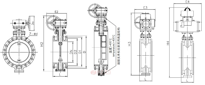
七、通風蝶閥 結構圖
![]() |
八、通風蝶閥 連接尺寸
| DN | L | D | D1 | D2 | Z-d | 蝸輪 D341W型 | 電動D941W型 | 氣動 D641W型 | ||||
|---|---|---|---|---|---|---|---|---|---|---|---|---|
| D0 | E2 | H2 | E3 | H3 | E4 | H4 | ||||||
| 50 | 108 | 140 | 110 | 88 | 4-14 | 150 | 193 | 435 | 125 | 490 | 180 | 443 |
| 65 | 112 | 160 | 130 | 108 | 4-14 | 150 | 193 | 440 | 125 | 515 | 180 | 467 |
| 80 | 114 | 190 | 150 | 124 | 4-18 | 150 | 193 | 475 | 125 | 525 | 245 | 510 |
| 100 | 127 | 210 | 170 | 144 | 4-18 | 150 | 193 | 495 | 125 | 560 | 245 | 540 |
| 125 | 140 | 240 | 200 | 174 | 8-18 | 150 | 193 | 535 | 245 | 760 | 245 | 587 |
| 150 | 140 | 265 | 225 | 199 | 8-18 | 150 | 193 | 645 | 245 | 765 | 350 | 685 |
| 200 | 140 | 320 | 280 | 254 | 8-18 | 220 | 330 | 710 | 245 | 900 | 350 | 775 |
| 250 | 140 | 375 | 335 | 309 | 12-18 | 220 | 330 | 785 | 313 | 990 | 350 | 855 |
| 300 | 170 | 440 | 395 | 363 | 12-22 | 280 | 350 | 950 | 313 | 1015 | 600 | 1000 |
| 350 | 170 | 490 | 445 | 413 | 12-22 | 280 | 350 | 1080 | 313 | 1110 | 600 | 1035 |
| 400 | 190 | 540 | 495 | 463 | 16-22 | 320 | 496 | 1170 | 313 | 1280 | 600 | 1105 |
| 450 | 190 | 595 | 550 | 518 | 16-22 | 320 | 496 | 1240 | 439 | 1330 | 750 | 1160 |
| 500 | 190 | 645 | 600 | 568 | 20-22 | 320 | 496 | 1375 | 439 | 1460 | 750 | 1270 |
| 600 | 210 | 755 | 705 | 667 | 20-26 | 320 | 496 | 1590 | 556 | 1950 | 750 | 1490 |
| 700 | 210 | 860 | 810 | 772 | 24-26 | 400 | 686 | 1630 | 556 | 2050 | 750 | 1720 |
| 800 | 210 | 975 | 920 | 678 | 24-30 | 400 | 686 | 2060 | 730 | 2280 | 750 | 1950 |
| 900 | 250 | 1075 | 1020 | 978 | 24-30 | 400 | 686 | 2180 | 730 | 2390 | 1060 | 2130 |
| 1000 | 250 | 1175 | 1120 | 1078 | 28-30 | 400 | 686 | 2380 | 730 | 2570 | 1060 | 2360 |
| 1200 | 250 | 1375 | 1320 | 1295 | 32-30 | 400 | 686 | 2650 | 730 | 2890 | 1360 | 2610 |
| 1400 | 300 | 1575 | 1520 | 1510 | 36-30 | 500 | 850 | 3160 | 890 | 3150 | 1380 | 2920 |
| 1600 | 300 | 1790 | 1730 | 1710 | 40-30 | 500 | 650 | 3320 | 890 | 3390 | 2840 | 3360 |
| 1800 | 300 | 1990 | 1930 | 1918 | 44-30 | 500 | 850 | 3410 | 890 | 3620 | 2640 | 3490 |
| 2000 | 300 | 2190 | 2130 | 2125 | 48-30 | 500 | 850 | 3620 | 890 | 3810 | 3300 | 3760 |
| 2200 | 350 | 2405 | 2340 | 2295 | 52-33 | 500 | 850 | 3850 | 890 | 4070 | ||
| 2400 | 350 | 2605 | 2540 | 2495 | 56-33 | 500 | 850 | 4070 | 890 | 4220 | ||
| 2600 | 350 | 2005 | 2740 | 2695 | 60-33 | 500 | 850 | 4300 | 890 | 4490 | ||
| 2800 | 400 | 3030 | 2960 | 2910 | 64-3$ | 500 | 916 | 4510 | 1090 | 5250 | ||
| 3000 | 400 | 3230 | 3160 | 3110 | 68-36 | 600 | 966 | 4730 | 1090 | 5460 | ||
| 3200 | 450 | 3430 | 3360 | 331O | 72-36 | 600 | 966 | 4980 | 1090 | 5710 | ||
| 3400 | 450 | 3630 | 3560 | 3510 | 76-36 | 600 | 966 | 5270 | 1090 | 6150 | ||
| 3600 | 450 | 5840 | 3770 | 3720 | 80-36 | 600 | 966 | 5520 | 1090 | 6630 | ||
| 3800 | 450 | 4050 | 3970 | 3920 | 80-39 | 800 | 1130 | 6560 | 1180 | 7850 | ||
| 4000 | 500 | 4245 | 4170 | 4120 | 84-39 | 800 | 1130 | 7100 | 1180 | 8180 | ||
| 4500 | 500 | 4650 | 4750 | 4660 | 92-48 | 800 | 1130 | 7830 | 1450 | 8920 | ||
| 5000 | 500 | 5350 | 5250 | 5160 | 96-48 | 900 | 1180 | 8520 | 1450 | 9630 | ||
| 5500 | 500 | 5850 | 5750 | 5660 | 100-48 | 900 | 1180 | 9650 | 1450 | 10720 | ||
| 6000 | 600 | 6400 | 6250 | 6180 | 108-56 | 900 | 1180 | 10550 | 1820 | 11580 | ||
注:由于產品改進技術創新參數可能有一定變化,公司不另行通知,請咨詢公司技術部門索取新數據。
下載:上海川滬閥門有限公司-產品樣本-通風蝶閥.PDF
通風蝶閥鏈接:http://www.danney.cn/products/diefa/d341h.html

















