提供專業控制閥解決方案! 銷售熱線:021-5186 3046
上海川滬閥門有限公司
ShangHai Chuanhu Valve CO.,LTD
我們做的不僅是產品還是解決方案
川滬閥門品牌:電動球閥、電動蝶閥、氣動球閥、氣動蝶閥、電動調節閥、氣動調節閥
自力式調節閥、快速切斷閥、低溫閥門、耐腐蝕閥門、衛生級閥門、截止閥、閘閥
電動執行器、氣動執行器
伸縮蝶閥
一、伸縮蝶閥 產品概述
上海川滬閥門有限公司生產的伸縮蝶閥具有自動補償管道熱脹冷縮方便裝卸的功能,適用于溫度在425℃以下,公稱壓力在1.6MPa以下的石油,化工、電力、造紙、給排水和市政建設等工業管道上作調節流量和載斷流體的佳裝置。我公司生產的DS341X伸縮蝶閥的主要特點:1、結構獨特,設計靈活,重量輕,省力,啟閉迅速。2、伸縮蝶閥不僅能補償管道溫差所產生的熱脹冷縮的功能,還能為維修閥門安裝更換提供方便。3、密封部位可調節更換,密封性能可靠。制造標準:JB/T8527-97、GB/T 12238-89,法蘭標準:GB9113-2000、GB/T 17241. 6-1998,檢驗標準:GB/T 13927-92。
二、伸縮蝶閥 產品圖片
![]() |
![]() |
| 伸縮蝶閥(鑄鋼法蘭連接) | 伸縮蝶閥(不銹鋼法蘭連接) |
三、伸縮蝶閥 技術參數
| 公稱通徑DN (mm) | 50~2000 | 50~1600 | ||
|---|---|---|---|---|
| 公稱壓力 PN(MPa) | 0.6 | 1.0 | 1.6 | |
| 密封試驗(MPa) | 0.66 | 1.1 | 1.76 | |
| 強度試驗(MPa) | 0.9 | 1.5 | 2.4 | |
| 適用溫度 | 軟密封 | X:-40℃~90℃;Xf:-20℃~200℃ | ||
| 硬密封 | 炭鋼:-29℃~425℃ 不銹鋼:-40℃~650℃ | |||
| 適用介質 | 水、空氣、天然氣、油品及弱腐蝕性流體 | |||
| 泄漏率 | 符合GB/T 13927-92標準 | |||
| 驅動方式 | 蝸輪傳動、電動、氣動、液動 | |||
四、伸縮蝶閥 零部件材質
| 零件名稱 | 材料 |
|---|---|
| 閥體 | 鑄鐵、鑄鋼、不銹鋼、鉻鉬鋼、合金鋼 |
| 蝶板 | 鑄鋼、合金鋼、不銹鋼、鉻鉬鋼 |
| 密封圈 | 橡膠、聚四氟、聚內脂、不銹鋼 |
| 閥桿 | 2Cr13、不銹鋼、鉻鉬鋼 |
| 伸縮管 | 鑄鐵、鑄鋼、不銹鋼、鉻鉬鋼 |
| 填料 | 柔性石墨 |
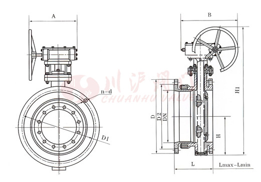
五、伸縮蝶閥 結構圖
![]() |
六、伸縮蝶閥 連接尺寸
| 規格 | D | D1 | D2 | Lmax | Lmin | H1 | H2 | N-Фd |
|---|---|---|---|---|---|---|---|---|
| 100 | 220 | 180 | 156 | 216 | 174 | 110 | 170 | 8-Ф18 |
| 125 | 250 | 210 | 184 | 232 | 186 | 123 | 182 | 8-Ф18 |
| 150 | 285 | 240 | 211 | 239 | 194 | 140 | 210 | 8-Ф22 |
| 200 | 340 | 295 | 266 | 264 | 214 | 170 | 238 | 8-Ф22 |
| 250 | 395 | 350 | 319 | 296 | 235 | 195 | 270 | 12-Ф22 |
| 300 | 445 | 400 | 370 | 300 | 250 | 222 | 300 | 12-Ф22 |
| 350 | 505 | 460 | 429 | 320 | 270 | 252 | 330 | 16-Ф22 |
| 400 | 565 | 515 | 480 | 332 | 282 | 285 | 368 | 16-Ф26 |
| 450 | 615 | 565 | 530 | 355 | 305 | 310 | 402 | 20-Ф26 |
| 500 | 670 | 620 | 582 | 365 | 315 | 337 | 438 | 20-Ф30 |
| 600 | 780 | 725 | 682 | 420 | 340 | 393 | 490 | 24-Ф30 |
| 700 | 895 | 840 | 794 | 446 | 396 | 450 | 558 | 24-Ф33 |
| 800 | 1015 | 950 | 901 | 476 | 426 | 515 | 625 | 28-Ф33 |
| 900 | 1115 | 1050 | 1001 | 506 | 456 | 560 | 685 | 28-Ф33 |
| 1000 | 1230 | 1160 | 1112 | 516 | 466 | 610 | 750 | 28-Ф36 |
| 1200 | 1455 | 1380 | 1328 | 560 | 510 | 725 | 880 | 32-Ф39 |
| 1400 | 1675 | 1590 | 1530 | 590 | 540 | 840 | 987 | 36-Ф42 |
| 1600 | 1915 | 1820 | 1750 | 630 | 585 | 960 | 1158 | 40-Ф48 |
| 1800 | 2115 | 2020 | 1950 | 680 | 630 | 1060 | 1258 | 44-Ф48 |
| 2000 | 2325 | 2230 | 2150 | 730 | 680 | 1165 | 1365 | 48-Ф48 |
注:由于產品改進技術創新參數可能有一定變化,公司不另行通知,請咨詢公司技術部門索取新數據。
下載:上海川滬閥門有限公司-產品樣本-伸縮蝶閥.PDF
伸縮蝶閥鏈接:http://www.danney.cn/products/diefa/d343h.html


















