提供專業控制閥解決方案! 銷售熱線:021-5186 3046
上海川滬閥門有限公司
ShangHai Chuanhu Valve CO.,LTD
我們做的不僅是產品還是解決方案
川滬閥門品牌:電動球閥、電動蝶閥、氣動球閥、氣動蝶閥、電動調節閥、氣動調節閥
自力式調節閥、快速切斷閥、低溫閥門、耐腐蝕閥門、衛生級閥門、截止閥、閘閥
電動執行器、氣動執行器
軟密封蝶閥
一、軟密封蝶閥 產品概述
軟密封蝶閥(型號:D71X、D71F)由橡膠密封蝶閥和碳鋼或不銹鋼閥板、閥桿構成。對夾式軟密封蝶閥適用于溫度≤80~120℃如食品、醫藥、化工、石油、電力、輕紡、造紙等給排水、氣體管道上作調節流量和截流介質的作用。
特點:
1、中線蝶閥為整個蝶板與閥座在360°圓周內同心(中線),具有雙向密封功能,壓力,流量可自由調節;
2、四級加載彈性密封,絕對保證了閥門內、外的零泄漏;
3、軸頭、蝶板園周連接處的特殊過渡曲線與閥座的合理過盈;
4、軸頭端面采用彈性O型圈和軸肩處剛性墊圈、彈性橡膠墊組合;
5、軸的徑向采用O型圈與金屬墊的組合;
6、閥座鑲在有彈性條的閥體的槽內;
7、采用可調彈性彈子定位。定位準確,結構簡單。
適用場景:
軟密封蝶閥適用于溫度≤80~120℃如食品、醫藥、化工、石油、電力、輕紡、造紙等給排水、氣體管道上作調節流量和截流介質的作用。
二、軟密封蝶閥 產品圖片
![]() |
![]() |
| 軟密封蝶閥(橡膠密封對夾式連接) | 軟密封蝶閥(四氟密封對夾式連接) |
三、軟密封蝶閥 執行標準
| 設計標準 | GB12238 |
|---|---|
| 結構長度 | GB12221 |
| 法蘭標準 | JB/T79-94 |
| GB9113.1-26 | |
| 檢驗試驗 | GB/T13927 |
| 驅動方式 | 蝸輪、手動、電動、氣動 |
四、軟密封蝶閥 結構圖
| 零件名稱 | 材料 |
|---|---|
| 閥體 | 球墨鑄鐵、鑄鋼、合金鋼、不銹鋼 |
| 蝶板 | 鑄鋼、不銹鋼及特殊材料 |
| 密封圈 | 各種橡膠、聚四氟 |
| 閥桿 | 2Cr13、不銹鋼 |
| 填料 | O型圈、柔性石墨O |
五、軟密封蝶閥 結構圖
![]() |
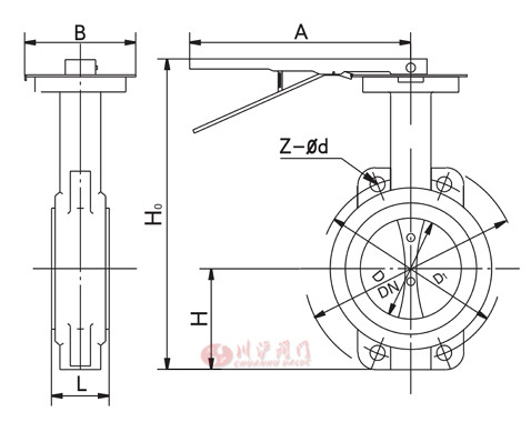
六、軟密封蝶閥 連接尺寸
D71X/J-10C(P·R·Z-Q)
| 通徑(DN) | L | D1 | D | Z- d | H | H0 | A | B | Wt/kg |
|---|---|---|---|---|---|---|---|---|---|
| 32 | 33 | 100 | 4-18 | 2.8 | |||||
| 40 | 33 | 110 | 4-18 | 220 | 3.1 | ||||
| 50 | 43 | 125 | 165 | 4-18 | 80 | 270 | 270 | 118 | 3.5 |
| 65 | 46 | 145 | 185 | 4-18 | 90 | 295 | 270 | 118 | 4.4 |
| 80 | 46 | 160 | 200 | 8-18 | 95 | 305 | 270 | 118 | 5.5 |
| 100 | 52 | 180 | 220 | 8-18 | 115 | 340 | 270 | 118 | 6.5 |
| 125 | 56 | 210 | 250 | 8-18 | 125 | 370 | 310 | 118 | 9 |
| 150 | 56 | 240 | 285 | 8-22 | 140 | 395 | 310 | 118 | 12 |
| 200 | 60 | 295 | 340 | 8-22 | 175 | 475 | 370 | 165 | 22 |
七、軟密封蝶閥 安裝說明
1、安裝前應核對蝶閥之規格、材料是否與設計相符合。
2、并于安裝前將內部之砂塵、異物及雜屑清理干凈,以免造成動作不順或產生泄漏。
3、安裝前其相關之配管應按規定做適當之懸吊固定,以避免安裝后對閥產生不當之應力。
4、配管之兩法蘭面間必須平行對準同心。
5、安裝時蝶閥與法蘭間無需另行加裝墊片。
6、蝶閥與逆止閥或泵浦近接之處,在二者中間使用漸擴接頭,閥盤開關扭轉才不會受到阻
礙。
注:由于產品改進技術創新參數可能有一定變化,公司不另行通知,請咨詢公司技術部門索取新數據。
下載:上海川滬閥門有限公司-產品樣本-軟密封蝶閥.PDF
軟密封蝶閥鏈接:http://www.danney.cn/products/diefa/d71x.html

















