提供專業控制閥解決方案! 銷售熱線:021-5186 3046
上海川滬閥門有限公司
ShangHai Chuanhu Valve CO.,LTD
我們做的不僅是產品還是解決方案
川滬閥門品牌:電動球閥、電動蝶閥、氣動球閥、氣動蝶閥、電動調節閥、氣動調節閥
自力式調節閥、快速切斷閥、低溫閥門、耐腐蝕閥門、衛生級閥門、截止閥、閘閥
電動執行器、氣動執行器
氣動三通球閥
一、氣動三通球閥 產品概述
上海川滬閥門有限公司生產的氣動三通球閥,是由角行程的氣動執行機構和三通球閥組成,用于實現管道介質的換向,控制管道中的介質合流和分流。氣動三通調節球閥與電氣閥門定位器配套,輸入4~20mADC信號及0.4~0.7MPa氣源即可控制運轉,實現對壓力、流量、溫度、液位等參數的調節。氣動三通換向球閥配行程限位開關、電磁閥、減壓閥及0.4-0.7MPa氣源可實現開關操作,并送出二對無源觸點信號指示閥門的開關。
特點:
氣動三通球閥具有結構緊湊,重量輕,密封性能好,維修方便等優點。
適用場景:
控制管道中的介質分流和合流。廣泛用于氣體、液體、蒸汽、油品等管道中。
二、氣動三通球閥 產品圖片
![]() |
![]() |
| 氣動三通球閥(內螺紋連接) | 氣動三通球閥(法蘭連接) |
三、氣動三通球閥 控制方式
![]() |
四、氣動三通球閥 零部件參數
| 零件名稱 | 材料名稱 | |||
|---|---|---|---|---|
| 閥體 | WCB | 304(CF8) | 316(CF8M) | 316L(CF3M) |
| 球體 | 2Cr13+氮化處理 | 304 | 316 | 316L |
| 閥桿 | 2Cr13 | 304 | 316 | 316L |
| 密封圈 | 聚四氟乙烯(PTFE)、增強聚四氟乙烯(PPL)、對位聚苯、柔性石墨 | |||
| 適用介質 | 水、氣體、蒸汽、油品等 | 硝酸等腐蝕性介質 | 醋酸等腐蝕介質 | 尿素等腐蝕性介質 |
五、氣動三通球閥 技術參數
| 公稱通徑 DN(mm) | 15 | 20 | 25 | 32 | 40 | 50 | 65 | 80 | 100 | 125 | 150 | 200 |
|---|---|---|---|---|---|---|---|---|---|---|---|---|
| 允許壓差(MPa) | ≤公稱壓力 | |||||||||||
| 動作范圍 | 0~90° | |||||||||||
| 閥體形式 | 二段分體式鑄造閥體 | |||||||||||
| 閥蓋形式 | 整體式 | |||||||||||
| 壓蓋型式 | 螺栓壓緊式 | |||||||||||
| 密封填料 | 聚四氟乙烯填料、含浸聚四氟乙烯石棉填料、石棉紡織填料、石墨填料 | |||||||||||
| 連接方式 | 法蘭式、螺紋式(適用于1/2"~2") | |||||||||||
| 閥芯形式 | 三通球型閥芯 | |||||||||||
| 流量特性 | 近似快開特性 | |||||||||||
| 泄露量Q | 軟密封:零泄露;金屬密封:按GB/T4213-92,小于額定KV0.01% | |||||||||||
| 配置執行機構 | 可配GT、AT、AR、AW系列單雙作用氣動執行器 | |||||||||||
| 控制方式 | 開關兩位控制、4-20mA模擬量控制 | |||||||||||
六、氣動三通球閥 執行機構參數
| 執行器型號 | GT、AT、AR、AW系列單雙作用氣動執行器 |
|---|---|
| 供氣壓力 | 0.4~0.7MPa |
| 氣源接口 | G1/4"、G1/8"、G3/8"、G1/2" |
| 環境溫度 | -30~+70℃ |
| 作用形式 | 單作用執行機構:氣關式(B)--失氣時閥位開(FO);氣開式(K)--失氣時閥位關(FC) |
| 可配附件 | 定位器、電磁閥、空氣過濾減壓器、保位閥、行程開關、閥位傳送器、手輪機構等 |
七、氣動三通球閥 性能規范
| 試驗標準 | 公稱壓力(Mpa) | 壓力級(class) | JIS(Mpa) | |||||||
|---|---|---|---|---|---|---|---|---|---|---|
| 試驗壓力(Mpa) | 1.6 | 2.5 | 4.0 | 6.4 | 10.0 | 150 | 300 | 600 | 10K | 20K |
| 強度試驗 | 2.4 | 3.8 | 6.0 | 9.6 | 15.0 | 3.1 | 7.8 | 15.3 | 2.4 | 3.8 |
| 密封試驗 | 1.8 | 2.8 | 4.4 | 7.0 | 11.0 | 2.2 | 5.6 | 11.2 | 1.5 | 2.8 |
| 氣密試驗 | 0.5~0.7 | |||||||||
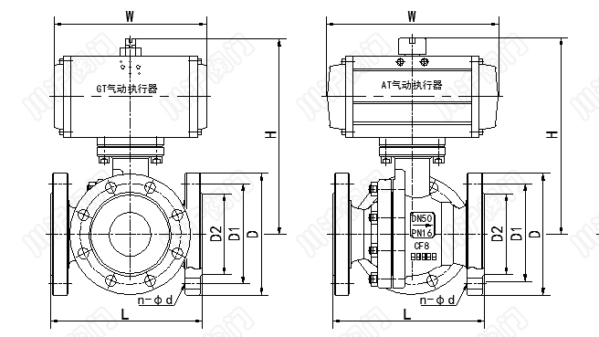
八、氣動三通球閥 結構圖
![]() |
九、氣動三通球閥 連接尺寸
| 公稱通徑 DN(mm) | 15 | 20 | 25 | 32 | 40 | 50 | 65 | 80 | 100 | 125 | 150 | 200 |
|---|---|---|---|---|---|---|---|---|---|---|---|---|
| L | 150 | 150 | 180 | 200 | 220 | 240 | 260 | 280 | 320 | 380 | 440 | 550 |
| L1 | 75 | 75 | 90 | 100 | 110 | 120 | 130 | 140 | 160 | 190 | 220 | 275 |
| H | 185 | 191 | 193 | 212 | 217 | 260 | 293 | 323 | 382 | 468 | 510 | 655 |
| W | 140 | 140 | 140 | 164 | 164 | 190 | 210 | 247 | 276 | 348 | 378 | 524 |
| PN1.6MPa法蘭連接尺寸 | ||||||||||||
| D | 95 | 105 | 115 | 140 | 150 | 165 | 185 | 200 | 220 | 250 | 285 | 340 |
| D1 | 65 | 75 | 85 | 100 | 110 | 125 | 145 | 160 | 180 | 210 | 240 | 295 |
| D2 | 46 | 56 | 65 | 76 | 84 | 99 | 118 | 132 | 156 | 184 | 211 | 266 |
| n-φd | 4-14 | 4-14 | 4-14 | 4-18 | 4-18 | 4-18 | 4-18 | 8-18 | 8-18 | 8-18 | 8-22 | 12-22 |
| PN2.5MPa法蘭連接尺寸 | ||||||||||||
| D | 95 | 105 | 115 | 140 | 150 | 165 | 185 | 200 | 235 | 270 | 300 | 360 |
| D1 | 65 | 75 | 85 | 100 | 110 | 125 | 145 | 160 | 190 | 220 | 250 | 310 |
| D2 | 46 | 56 | 65 | 76 | 84 | 99 | 118 | 132 | 156 | 184 | 211 | 274 |
| n-φd | 4-14 | 4-14 | 4-14 | 4-18 | 4-18 | 4-18 | 8-18 | 8-18 | 8-22 | 8-26 | 8-26 | 12-26 |
注:由于產品改進技術創新參數可能有一定變化,公司不另行通知,請咨詢公司技術部門索取新數據。
下載:上海川滬閥門有限公司-產品樣本-氣動三通球閥.PDF
氣動三通球閥鏈接:http://www.danney.cn/products/qidongqiufa/qdstqf.html




































