提供專業控制閥解決方案! 銷售熱線:021-5186 3046
上海川滬閥門有限公司
ShangHai Chuanhu Valve CO.,LTD
我們做的不僅是產品還是解決方案
川滬閥門品牌:電動球閥、電動蝶閥、氣動球閥、氣動蝶閥、電動調節閥、氣動調節閥
自力式調節閥、快速切斷閥、低溫閥門、耐腐蝕閥門、衛生級閥門、截止閥、閘閥
電動執行器、氣動執行器
川滬閥門
襯氟球閥
一、襯氟球閥 產品概述
上海川滬閥門有限公司生產的Q41F46襯氟球閥,用聚四氟乙烯作為內襯材料,配之以新型的帶桿球體結構,再加上其獨特的彈性唇式密封座結構,使其具有普通球閥的各項優點,能在大壓差和較大的溫差變化范圍內具有高密封性能和低操作扭矩。手動襯氟球閥,襯四氟法蘭球閥可作開關或調節之用。
特點:
(1)采用FEP襯里層的球閥,具有極高的化學穩定性,可以適用除"熔融堿金屬和元素氟",以外其它任何強腐蝕性質;
(2)采用全通徑、浮動球結構,閥門可在整個壓力范圍內進行無泄漏關閉,更便于管路系統的通球掃線和管路維護;
(3)啟閉件球件與閥桿鑄(鍛)為一體,杜絕了由于壓力變化引起閥桿沖出承壓件內的可能性,從根本上保證了工程中的使用安全性;
(4)結構緊湊合理,閥體內腔空間最小,減小了介質滯留,另外,特殊的模壓工藝,使密封面致密度良好,加之人字環形PTFE填料組合,使閥門達到零泄漏;
(5)兩段、三段式構可適應各種不同要求的管路系統和工況條件,其中三片球閥允許主閥體與兩側閥體分離,可實現在線快速更換、維修。
適用場景:
襯氟球閥Q41F46適用于工業管道中液體和氣體的輸送(包括蒸氣),各種酸、堿、鹽類等強腐蝕性介質的管道。
二、襯氟球閥 產品圖片
![]() |
| 襯氟球閥_Q41F46 |
三、襯氟球閥 零部件參數
| 零件名稱 | 灰鑄鐵 | 鑄鋼 | 不銹鋼 | 超低碳不銹鋼 | ||
|---|---|---|---|---|---|---|
| Z | C | P | R | PL | RL | |
| 閥體、閥蓋 | HT250 | WCB | CF8 | CF8M | CF3 | CF3M |
| 球體 | WCB | WCB | CF8 | CF8M | CF3 | CF3M |
| 襯里層/閥座 | FEP(F46) PCTFE(F3)PFA(可洛性聚四氟乙烯) | |||||
| 填料壓蓋 | HT250 | WCB | CF8 | CF8M | CF3 | CF3M |
| 填料 | PTFE(F4) 聚四氟乙烯 PTFE(F4)聚四氟乙烯 | |||||
| 螺栓 | 35 | 35 | 1Cr17Ni2 | 1Cr17Ni2 | 1Cr18Ni9 | 1Cr18Ni9 |
| 螺母 | 45 | 45 | 0Cr18Ni9 | 0Cr18Ni9 | 0Cr18Ni9 | 0Cr18Ni9 |
| 手柄 | WCC | WCC | WCC | WCC | WCC | WCC |
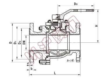
四、襯氟球閥 結構圖
![]() |
五、襯氟球閥 連接尺寸
| 公稱通徑 | 標準值 | 參考值 | ||||||||||
|---|---|---|---|---|---|---|---|---|---|---|---|---|
| DN(mm) | NPS(inch) | L | D | D1 | D2 | f | b | Z-Φd | Do(手柄) | Do(蝸輪) | H | WT(Kg) |
| PN1.0MPa | ||||||||||||
| 15 | 1/2 | 140 | 95 | 65 | 45 | 2 | 14 | 4-Φ14 | 120 | 80 | 2.5 | |
| 20 | 3/4 | 140 | 105 | 75 | 55 | 2 | 16 | 4-Φ14 | 140 | 90 | 3 | |
| 25 | 1 | 150 | 115 | 85 | 65 | 2 | 16 | 4-Φ14 | 160 | 100 | 4.5 | |
| 32 | 11/4 | 165 | 135 | 100 | 78 | 2 | 18 | 4-Φ14 | 160 | 110 | 5.7 | |
| 40 | 11/2 | 180 | 145 | 110 | 85 | 2 | 18 | 4-Φ14 | 200 | 120 | 7 | |
| 50 | 2 | 200 | 160 | 125 | 100 | 3 | 20 | 4-Φ14 | 250 | 135 | 9.5 | |
| 65 | 11/2 | 220 | 180 | 145 | 120 | 3 | 20 | 4-Φ14 | 300 | 145 | 15 | |
| 80 | 3 | 250 | 195 | 160 | 135 | 3 | 22 | 4-Φ14 | 350 | 185 | 19 | |
| 100 | 4 | 280 | 215 | 180 | 155 | 3 | 22 | 8-Φ18 | 400 | 95 | 33 | |
| 125 | 5 | 320 | 245 | 210 | 185 | 3 | 24 | 8-Φ18 | 500 | 210 | 58 | |
| 150 | 6 | 360 | 280 | 240 | 210 | 3 | 24 | 8-Φ23 | 200 | 450 | 93 | |
| 200 | 8 | 457 | 335 | 295 | 265 | 3 | 26 | 8-Φ23 | 240 | 490 | 155 | |
| 250 | 10 | 533 | 390 | 350 | 320 | 3 | 28 | 12-Φ23 | 240 | 550 | 210 | |
六、襯氟球閥 安裝說明
1)、安裝位置、高度、進出口方向必須符合設計要求,連接應牢固緊密。
2)、安裝在保溫管道上的各類手動閥門,手柄均不得向下。
3)、閥門安裝前必須進行外觀檢查,閥門的銘牌應符合現行國家標準《通用閥門標志》GB 12220的規定。對于工作壓力大于1.0 MPa 及在主干管上起到切斷作用的閥門,安裝前應進行強度和嚴密性能試驗,合格后方準使用。強度試驗時,試驗壓力為公稱壓力的1.5倍,持續時間不少于5min,閥門殼體、填料應無滲漏為合格。嚴密性試驗時,試驗壓力為公稱壓力的1.1倍;試驗壓力在試驗持續的時間應符合GB 50243標準要求,以閥瓣密封面無滲漏為合格。
4)、閥法蘭與管線法蘭間按管路設計要求裝上密封墊。
5)、帶傳動機構的球閥,按產品使用說明書的規定安裝。
下載:上海川滬閥門有限公司-產品樣本-襯氟球閥.PDF
襯氟球閥鏈接:http://www.danney.cn/products/qiufa/q41f46.html
相關產品
| 浮動球閥 | 固定球閥 | 軟密封球閥 | 三通球閥 | 三片式內螺紋球閥 |
| 兩片式內螺紋球閥 | 一片式內螺紋球閥 | 襯氟球閥 |

