提供專業控制閥解決方案! 銷售熱線:021-51863046
上海川滬閥門有限公司
ShangHai Chuanhu Valve CO.,LTD
我們做的不僅是產品還是解決方案
川滬閥門品牌:電動球閥、電動蝶閥、氣動球閥、氣動蝶閥、電動調節閥、氣動調節閥
自力式調節閥、快速切斷閥、低溫閥門、耐腐蝕閥門、衛生級閥門、截止閥、閘閥
電動執行器、氣動執行器
氣動衛生級蝶閥
一、氣動衛生級蝶閥 產品概述
上海川滬閥門有限公司生產的氣動衛生級蝶閥D681X是由氣動執行器與高品質衛生型蝶閥閥體組成,衛生級氣動蝶閥采用標準電子拋光,光滑表面確保清潔,無介質積存區域,不會產生潛在的污染。快速拆裝閥,使閥門打開和維修快捷容易,使過程停機時間縮短。
特點:
1.簡單、體積小、重量輕、流阻小、流量系數大,密封性能好。調節范圍大。是自動化控制系統中儀表的執行單元。
2.氣動執行機構采用活塞式氣缸及曲臂轉換結構,輸出力矩大,體積精小,采用全密封防水設計防護等級高。氣缸體采用鏡面氣缸,無油潤滑,磨擦系數小、耐腐蝕、具有超強的耐用性及可靠性。所有傳動軸承均采用邊界自潤滑軸承無油潤滑,確保傳動軸不摩損。
適用場景:
衛生級氣動蝶閥廣泛應用于如食品、制藥、化妝品、潔凈蒸汽、酒類、飲料、生化工業過程控制場合。
二、氣動衛生級蝶閥 產品圖片
![]() |
![]() |
| 氣動衛生級蝶閥 | 氣動衛生級蝶閥 |
三、氣動衛生級蝶閥 零部件材料
| 零件名稱 | 材料 |
|---|---|
| 閥體 | 304、316、316L |
| 蝶板 | 304、316、316L |
| 密封圈 | 硅橡膠、氟橡膠、聚四氟 |
| 閥桿 | 304、316、316L |
| 填料 | 硅橡膠、氟橡膠、聚四氟 |
四、氣動衛生級蝶閥 技術參數
| 公稱通徑DN | 50 | 65 | 80 | 100 | 125 | 150 | 200 | 250 | 300 | 350 | 400 |
|---|---|---|---|---|---|---|---|---|---|---|---|
| 動作范圍 | 0~90° | ||||||||||
| 允許壓差△P | 小于公稱壓力(1.6MPa) | ||||||||||
| 泄漏量Q | 按GB/T4213-92,為Kv值的10-4 | ||||||||||
| 環境溫度oC | -20~60oC | ||||||||||
| 基本誤差 | 帶定位器:小于全行程的±2% | ||||||||||
| 回差 | 帶定位器:小于全行程的±2% | ||||||||||
| 配用執行機構 | GT、AT、AW系列單雙作用氣動執行器 | ||||||||||
| 控制方式 | 開關兩位控制、4~20mA模擬量信號控制 | ||||||||||
五、氣動衛生級蝶閥 執行器參數
| 執行器型號 | GT、AT、AR、AW系列單雙作用氣動執行器 |
|---|---|
| 供氣壓力 | 0.4~0.7MPa |
| 氣源接口 | G1/4"、G1/8"、G3/8"、G1/2" |
| 環境溫度 | -30~+70℃ |
| 作用形式 | 單作用執行機構:氣關式(B)--失氣時閥位開(FO);氣開式(K)--失氣時閥位關(FC) |
六、氣動衛生級蝶閥 性能規范
| 公稱通徑 | DN(mm) | 15~150 | ||
|---|---|---|---|---|
| 公稱壓力 | PN(MPa) | 0.6 | 1.0 | 1.6 |
| 試驗壓力 | 強度試驗 | 0.9 | 1.5 | 2.4 |
| 密封試驗 | 0.66 | 1.1 | 1.76 | |
| 氣密封試驗 | 0.6 | 0.6 | 0.6 | |
| 適用溫度 | ≤80℃ | |||
| 適用介質 | 空氣、水、蒸氣、油品等 | |||
| 連接形式 | 快裝式、卡箍式、外螺紋、焊接式 | |||
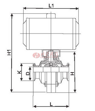
七、氣動衛生級蝶閥 結構圖
![]() |
八、氣動衛生級蝶閥 連接標準和尺寸
| 規格c | L1 | H1 | K | D | H | L | 重量Kg | 執行器規格 |
|---|---|---|---|---|---|---|---|---|
| c19 | 147 | 210 | 50.5 | 16 | 105 | 66 | 2.8 | AT52 |
| c25 | 147 | 210 | 50.5 | 22 | 105 | 66 | 2.7 | AT52 |
| c32 | 147 | 210 | 50.5 | 29 | 105 | 66 | 2.6 | AT52 |
| c38 | 147 | 210 | 50.5 | 35 | 105 | 70 | 2.7 | AT52 |
| c45 | 147 | 215 | 64 | 42 | 120 | 70 | 2.8 | AT52 |
| c51 | 147 | 225 | 64 | 48 | 130 | 76 | 3.0 | AT52 |
| c57 | 168 | 250 | 77 | 53 | 135 | 76 | 4.0 | AT63 |
| c63 | 168 | 260 | 77 | 59 | 145 | 76 | 4.1 | AT63 |
| c76 | 168 | 270 | 91 | 72 | 155 | 80 | 4.4 | AT63 |
| c89 | 168 | 285 | 106 | 85 | 170 | 84 | 5.1 | AT63 |
| c102 | 183 | 310 | 119 | 98 | 185 | 85 | 6.1 | AT75 |
| c133 | 205 | 350 | 145 | 127 | 215 | 122 | 9.0 | AT83 |
| c159 | 260 | 385 | 183 | 153 | 245 | 123 | 12.2 | AT92 |
| c219 | 265 | 460 | 233 | 213 | 310 | 134 | 17,7 | AT105 |
注:由于產品改進技術創新參數可能有一定變化,公司不另行通知,請咨詢公司技術部門索取新數據。
下載:上海川滬閥門有限公司-產品樣本-氣動衛生級蝶閥.PDF
氣動衛生級蝶閥鏈接:http://www.danney.cn/products/weishengjitiaojiefa/qdwsjdf.html
























