提供專業控制閥解決方案! 銷售熱線:021-5186 3046
上海川滬閥門有限公司
ShangHai Chuanhu Valve CO.,LTD
我們做的不僅是產品還是解決方案
川滬閥門品牌:電動球閥、電動蝶閥、氣動球閥、氣動蝶閥、電動調節閥、氣動調節閥
自力式調節閥、快速切斷閥、低溫閥門、耐腐蝕閥門、衛生級閥門、截止閥、閘閥
電動執行器、氣動執行器
頂裝活塞壓力調節閥
一、頂裝活塞壓力調節閥 產品概述
上海川滬閥門有限公司生產的頂裝活塞壓力調節閥,由閥體、閥座、閥芯部件等組成,是一種無需外來能源而只依靠被調介質自身的壓力變化進行自動調節壓力的節能型產品,可用于非腐蝕性的液體、氣體和蒸汽等介質的壓力控制裝置。和ZZYP系列相比,控制彈簧由于離閥體較遠,不易受介質溫度而影響,以及更易于更換或調整彈簧的特點。因此頂裝活塞壓力調節閥廣泛用于石油、化工、冶金、輕工等工業部門及城市供熱、供暖系統。頂裝活塞壓力調節閥系列產品公稱壓力PN16、40,公稱通徑范圍20~300mm,使用溫度≤350℃。多種多樣的品種可供選擇。比老型式有更大壓差范圍。
二、頂裝活塞壓力調節閥 產品圖片
![]() |
| 頂裝活塞壓力調節閥(不銹鋼法蘭連接) |
三、頂裝活塞壓力調節閥 技術參數
| 公稱通徑DN | 20 | 20 | 20 | 20 | 20 | 65 | 80 | 100 | 125 | 150 | 200 | 250 | 300 | |
|---|---|---|---|---|---|---|---|---|---|---|---|---|---|---|
| 額定流量系數Kv | 7 | 11 | 20 | 30 | 48 | 75 | 120 | 190 | 300 | 480 | 760 | 1100 | 1750 | |
| 額定行程L(mm) | 8 | 10 | 14 | 20 | 25 | 40 | 50 | 60 | 70 | |||||
| 公稱壓力(MPa) | 1.6、4.0 | |||||||||||||
| 壓力調節范圍(KPa) | 15~50、40~80、60~100、80~140、120~180、160~220、200~260、 240~300、280~350、330~400、380~450、430~500、480~560、540~620、 600~700、680~800、780~900、880~1000、600~1500、1000~2500 |
|||||||||||||
| 固有流量特質 | 快開 | |||||||||||||
| 調節精度(%) | ±5 | |||||||||||||
| 使用溫度(℃) | ≤350 | |||||||||||||
| 允許泄漏量 | 硬密封(1/h) | 單座:≤10-4×閥額定容量(Ⅳ級)、雙座和套筒:≤5×10-3閥額定容量(Ⅱ級) | ||||||||||||
| 軟密封(m1/min) | 0.15 | 0.30 | 0.45 | 0.60 | 0.90 | 1.70 | 4.0 | 6.75 | 11.10 | 16.0 | ||||
| 減壓比 | 大 | 10 | ||||||||||||
| 小 | 1.25 | |||||||||||||
四、頂裝活塞壓力調節閥 材質
| 閥體 | ZG230~450、ZG1Cr18Ni9Ti、ZGCr18Ni12Mo2Ti |
|---|---|
| 閥芯 | 1Cr18Ni9Ti、Cr18Ni12Mo2Ti |
| 閥座 | 1Cr18Ni9Ti、Cr18Ni12Mo2Ti |
| 閥桿 | 1Cr18Ni9Ti、Cr18Ni12Mo2Ti |
| 膜蓋 | A3、1Cr18Ni9Ti |
| 填料 | 聚四氟乙烯、柔性石墨 |
| 膜片 | 丁腈橡膠、耐油橡膠、氟橡膠 |
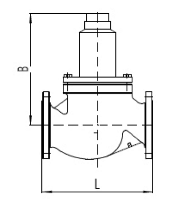
五、頂裝活塞壓力調節閥 結構圖
![]() |
六、頂裝活塞壓力調節閥 連接尺寸
| 公稱通徑DN | 15 | 20 | 25 | 32 | 40 | 50 | 65 | 80 | 100 | 125 | 150 | 200 | 250 |
|---|---|---|---|---|---|---|---|---|---|---|---|---|---|
| L | 130 | 181 | 184 | 200 | 222 | 254 | 276 | 298 | 352 | 410 | 451 | 600 | 650 |
| B | 212 | 212 | 238 | 238 | 240 | 240 | 275 | 275 | 380 | 380 | 430 | 430 | 430 |
注:由于產品改進技術創新參數可能有一定變化,公司不另行通知,請咨詢公司技術部門索取新數據。
下載:上海川滬閥門有限公司-產品樣本-頂裝活塞壓力調節閥.PDF
頂裝活塞壓力調節閥鏈接:http://www.danney.cn/products/zilishitiaojiefa/dzhsyltjf.html

















