\提供專業控制閥解決方案! 銷售熱線:021-51863046
上海川滬閥門有限公司
ShangHai Chuanhu Valve CO.,LTD
我們做的不僅是產品還是解決方案
川滬閥門品牌:電動球閥、電動蝶閥、氣動球閥、氣動蝶閥、電動調節閥、氣動調節閥
自力式調節閥、快速切斷閥、低溫閥門、耐腐蝕閥門、衛生級閥門、截止閥、閘閥
電動執行器、氣動執行器
D971X、D973H電動對夾蝶閥
一、D971X、D973H電動對夾蝶閥 產品概述
上海川滬閥門有限公司生產的D971X、D973H電動對夾蝶閥,是由角行程的電動執行機構和對夾蝶閥組成,對夾蝶閥的密封形式分為三偏心金屬密封、中線軟密封、雙偏心軟密封等。D971X、D973H電動對夾蝶閥接入220V電壓即可控制閥門的開關,也可以接入控制模塊,輸入控制信號4-20mA或1-5V DC進行控制。
特點:
1、設計新穎、合理、結構獨特,重量輕,啟閉迅速。
2、密封件可以更換,密封性能可靠達到雙向密封零泄漏。
3、密封材料耐老化、耐腐蝕,使用壽命長等特點。
4、兩截式閥桿無銷連接,結構簡單緊湊,維修方便。
5、閥座密封與靠背一體結構,減少閥座變形量。
6、閥桿軸向定位裝置,增強密封性、減少閥門扭矩。
7、可以任何位置安裝,維修方便。
適用場景:
D971X、D973H電動對夾蝶閥廣泛應用于化工、建材、電站、玻璃等行業中的通風、環保工程的含塵冷風或熱風氣體管道中,作為氣體介質調節流量或切斷裝置。
二、D971X、D973H電動對夾蝶閥 產品圖片
![]() |
![]() |
| D971X電動對夾蝶閥(軟密封) | D973H電動對夾蝶閥(金屬硬密封) |
三、D971X、D973H電動對夾蝶閥 零部件材料
| 零部件名稱 | 材質 |
|---|---|
| 底座 | HT200、WCB、CF3、CF3M、CF8、CF8M |
| 下軸套 | 銅合金、304、316 |
| 閥體 | HT200、WCB、CF3、CF3M、CF8、CF8M |
| 密封圈 | NBR丁晴橡膠、PTFE、PPL、304、316 |
| 壓板、蝶板 | HT200、WCB、CF3、CF3M、CF8、CF8M |
| 固定銷 | 25、35、45 |
| 上閥軸 | 2Cr13、304、316、316L |
| 下閥軸 | 2Cr13、304、316、316L |
| 上軸套 | 銅合金、304、316 |
| 填料 | 聚四氟乙烯/柔性石墨 |
| 填料壓套 | HT200、WCB、CF3、CF3M、CF8、CF8M |
| 填料壓板 | HT200、WCB、CF3、CF3M、CF8、CF8M |
四、D971X、D973H電動對夾蝶閥 技術參數
| 公稱通徑DN(mm) | 50~1200 |
|---|---|
| 公稱壓力 | PN0.6、1.6、2.5MPa |
| 連接形式 | 對夾式 |
| 閥板形式 | 垂直板式 |
| 流量特性 | 近似快開型 |
| 動作范圍 | 0~90° |
| 泄露量 | 按GB/T4213-92,為Kv值的10-4,軟密封:零泄漏 |
| 基本誤差 | ±2.5% |
| 回差 | ±2.5% |
| 死區 | 1% (可調) |
| 可調范圍 | 50:1 |
| 配置執行機構 | 選配PSQ、HQ、361RS、CH等系列角行程電動執行機構 |
| 控制方式 | 開關到位燈(開關兩位控制)、智能調節(4~20mA模擬量信號控制) |
五、D971X、D973H電動對夾蝶閥 執行器參數
| 執行器類別 | CH系列執行器參數 | HQ系列執行器參數 |
|---|---|---|
| 電源電壓 | 標準:220V AC單相 可選:110V AC 單相、380/440V AC 三相、24V/110V/220V AC | |
| 輸出力矩 | 50N·M~2000N·M | 50N·M~3000N·M |
| 動作范圍 | 0~90° 0~360° | 0~90°、0°~270°可選 |
| 控制方式 | 開關到位燈(開關兩位控制)、無源觸點信號、1/5K電位計、智能調節(4~20mA模擬量信號控制) | |
| 動作時間 | 15秒/30秒/60秒 | 18S~112S |
| 保護裝置 | 過熱保護 | 內置過熱保護、過載保護 |
| 環境溫度 | -30°~60° | -20℃~+70℃ |
| 手動操作 | 同附帶手柄操作 | 機械離合機構,配手輪操作 |
| 機械限位 | 電氣、機械二重限位 | 2個外部調整螺栓 |
| 防護等級 | IP65 | IP65、IP67、可定制IP68 |
| 防爆等級 | 無防爆 | ExdⅡ BT4,ExdⅡ CT6 |
| 位置測量 | 可選裝開關或電位計 | 電位計、比例控制單元 |
| 驅動電機 | 8W/E | 鼠籠式異步電機 |
| 進線接口 | PE1/2〞進線線鎖 | 2個 PF 3/4" |
| 殼體材料 | 鋁合金 | 鋼,鋁合金,鋁青銅,聚碳酸脂 |
| 外涂層 | 干粉,環氧聚酯,具有超強防腐功能 | |
| 采用獨特的電制動線路,因而定位精度高,執行機構靈敏,啟動停止迅速,運行平穩。同時具有抗干擾、抗浪涌電壓、防擊穿能力強的特點 | ||
六、D971X、D973H電動對夾蝶閥 性能規范
| 公稱通徑DN(mm) | DN50~1200 | ||||
|---|---|---|---|---|---|
| 公稱壓力 | PN(MPa) | 0.6 | 1.0 | 1.6 | 2.5 |
| 試驗壓力 | 強度試驗 | 0.9 | 1.5 | 2.4 | 3.75 |
| 密封試驗 | 0.66 | 1.1 | 1.76 | 2.75 | |
| 低壓氣密試驗 | 0.5~0.7 | ||||
| 適用介質 | 水、油、蒸氣、硝酸類(溫度≤200℃)、醋酸類(溫度≤200℃) | ||||
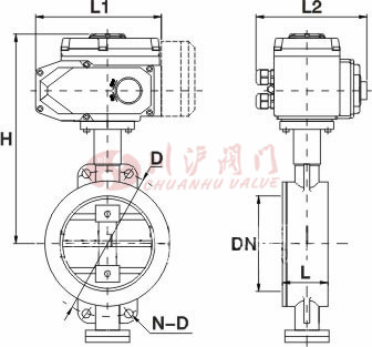
七、D971X、D973H電動對夾蝶閥 結構圖
![]() |
八、D971X、D973H電動對夾蝶閥 連接尺寸
| 主要外形尺寸-PN16(16bar) | ||||||||
|---|---|---|---|---|---|---|---|---|
| 公稱通徑 DN |
尺寸mm | 執行器選配 | ||||||
| L | L1 | L2 | H | D | N-D | |||
| 50 | 43 | 165 | 150 | 250 | 125 | 4-18 | CHV-005 | CHQ-010 |
| 65 | 46 | 190 | 170 | 270 | 145 | 4-18 | CHV-005 | CHQ-010 |
| 80 | 49 | 190 | 170 | 290 | 160 | 8-18 | CHV-005 | CHQ-010 |
| 100 | 64 | 270 | 220 | 310 | 180 | 8-18 | CHV-010 | CHQ-020 |
| 125 | 70 | 270 | 220 | 380 | 210 | 8-18 | CHV-010 | CHQ-020 |
| 150 | 70 | 270 | 220 | 410 | 240 | 8-22 | CHV-010 | CHQ-020 |
| 200 | 71 | 270 | 220 | 465 | 295 | 12-22 | CHV-020 | CHQ-030 |
| 250 | 76 | 270 | 220 | 505 | 355 | 12-26 | CHV-040 | CHQ-040 |
| 300 | 83 | 270 | 220 | 580 | 410 | 12-26 | CHV-060 | CHQ-050 |
| 350 | 92 | 270 | 220 | 640 | 470 | 16-26 | CHV-080 | CHQ-060 |
| 400 | 102 | 270 | 220 | 695 | 525 | 16-30 | CHV-100 | CHQ-080 |
| 450 | 114 | 270 | 220 | 755 | 585 | 20-30 | CHV-120 | CHQ-100 |
| 500 | 127 | 270 | 220 | 820 | 650 | 20-33 | CHV-140 | CHQ-120 |
注:由于產品改進技術創新參數可能有一定變化,公司不另行通知,請咨詢公司技術部門索取新數據。
下載:上海川滬閥門有限公司-產品樣本-D971X、D973H電動對夾蝶閥.PDF
D971X、D973H電動對夾蝶閥鏈接:http://www.danney.cn/products/diandongdiefa/dddjdf.html




























