提供專業控制閥解決方案! 銷售熱線:021-51863046
上海川滬閥門有限公司
ShangHai Chuanhu Valve CO.,LTD
我們做的不僅是產品還是解決方案
川滬閥門品牌:電動球閥、電動蝶閥、氣動球閥、氣動蝶閥、電動調節閥、氣動調節閥
自力式調節閥、快速切斷閥、低溫閥門、耐腐蝕閥門、衛生級閥門、截止閥、閘閥
電動執行器、氣動執行器
D971X電動凸耳式蝶閥
一、D971X電動凸耳式蝶閥 產品概述
上海川滬閥門有限公司生產的D971X電動凸耳式蝶閥,與電動執行器相連接后,可以控制閥門的開關或者調節(輸入輸出信號4-20mA)管道介質流量大小。
特點:
1、中心線圓盤
2、防吹桿設計
3、低摩擦座椅
4、零泄漏
5、體積小
6、重量輕
7、使用壽命長
8、可用于切斷和調節介質
9、結構簡單緊湊,快速90度開關操作 適
用場景:
D971X電動凸耳式蝶閥適用于1、水處理廠
2、啤酒廠
3、鉆機4。供暖空調
5、造紙工業
6、化學工業
7、煤氣廠
8、氣動輸送機
9、制糖工業
10、污水處理廠
11、冷卻水循環
12、壓縮空氣等場合使用。
二、D971X電動凸耳式蝶閥 產品圖片
![]() |
| D971X電動凸耳式蝶閥 |
三、D971X電動凸耳式蝶閥 性能規范
| 公稱通徑DN(mm) | 40-300 | |
|---|---|---|
| 公稱壓力PN(MPa) | 1.0 | |
| 試驗壓力(MPa) | 殼體 | 1.5 |
| 密封 | 1.1 | |
| 適用溫度 | -15 ~ 120度 | |
| 適用介質 | 飲用水、污水、海水等。 | |
四、D971X電動凸耳式蝶閥 主要零部件材料
| 閥體 | 閥板 | 轉軸 | 襯套 | 閥座 | ||||
|---|---|---|---|---|---|---|---|---|
| 材料名稱 | 代號 | 材料名稱 | 代號 | 材料名稱 | 材料名稱 | 材料名稱 | 代號 | 適用溫度 |
灰鑄鐵 球墨鑄鐵 鋁青銅 不銹鋼 CF8M不銹鋼 碳鋼 |
Z Q T P R C |
電鍍球墨鑄鐵 鋁青銅 不銹鋼 鈦鋼 CF8M不銹鋼 碳鋼 |
B1 B2 B3 B4 B5 B6 |
不銹鋼 碳鋼 |
潤滑青銅 聚四氟乙烯 |
天然橡膠 海帕倫 乙丙橡膠 氯丁橡膠 丁晴橡膠 耐磨橡膠 氟橡膠 耐熱乙丙橡膠 聚四氟乙烯 |
X1 X2 X3 X4 X5 X6 X7 X9 F |
-20~85度 -20~120度 -20~120度 -7~93度 -20~100度 -10~100度 -20~200度 -20~135度 -20~150度 |
五、D971X電動凸耳式蝶閥 電動執行器參數
| 執行器類別 | CH系列執行器參數 | HQ系列執行器參數 |
|---|---|---|
| 電源電壓 | 標準:220V AC單相 可選:110V AC 單相、380/440V AC 三相、24V/110V/220V AC | |
| 輸出力矩 | 50N·M~2000N·M | 50N·M~3000N·M |
| 動作范圍 | 0~90° 0~360° | 0~90°、0°~270°可選 |
| 控制方式 | 開關到位燈(開關兩位控制)、無源觸點信號、1/5K電位計、智能調節(4~20mA模擬量信號控制) | |
| 動作時間 | 15秒/30秒/60秒 | 18S~112S |
| 保護裝置 | 過熱保護 | 內置過熱保護、過載保護 |
| 環境溫度 | -30°~60° | -20℃~+70℃ |
| 手動操作 | 同附帶手柄操作 | 機械離合機構,配手輪操作 |
| 機械限位 | 電氣、機械二重限位 | 2個外部調整螺栓 |
| 防護等級 | IP65 | IP65、IP67、可定制IP68 |
| 防爆等級 | 無防爆 | ExdⅡ BT4,ExdⅡ CT6 |
| 位置測量 | 可選裝開關或電位計 | 電位計、比例控制單元 |
| 驅動電機 | 8W/E | 鼠籠式異步電機 |
| 進線接口 | PE1/2〞進線線鎖 | 2個 PF 3/4" |
| 殼體材料 | 鋁合金 | 鋼,鋁合金,鋁青銅,聚碳酸脂 |
| 外涂層 | 干粉,環氧聚酯,具有超強防腐功能 | |
| 采用獨特的電制動線路,因而定位精度高,執行機構靈敏,啟動停止迅速,運行平穩。同時具有抗干擾、抗浪涌電壓、防擊穿能力強的特點 | ||
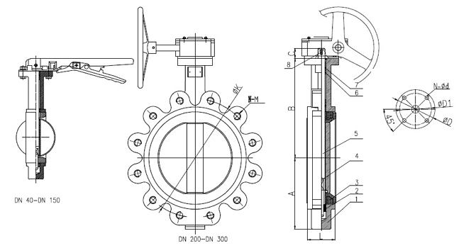
六、D971X電動凸耳式蝶閥 結構圖
![]() |
七、D971X電動凸耳式蝶閥 連接尺寸
| SIZE | A | B | C | L | ANSI 150B | GB PN 10 | GB PN 16 | JIS 10K | ISO 5211 | Top Flange |
|||||||
|---|---|---|---|---|---|---|---|---|---|---|---|---|---|---|---|---|---|
| mm | in | oK | N-M | oK | N-M | oK | N-M | oK | N-M | oD | oD1 | N-od | |||||
| 40 | 1.5" | 70 | 164 | 32 | 33 | 98.5 | 4-1/2"-13UNC-2B | 110 | 4-M16 | 110 | 4-M16 | 105 | 4-M16 | 65 | 50 | 4-o8 | F05 |
| 50 | 2" | 80 | 169 | 32 | 43 | 120.6 | 4-5/8"-11UNC-2B | 125 | 4-M16 | 125 | 4-M16 | 120 | 4-M16 | 65 | 50 | 4-o8 | F05 |
| 65 | 2 1/2" | 89 | 176 | 32 | 46 | 139.7 | 4-5/8"-11UNC-2B | 145 | 4-M16 | 145 | 4-M16 | 140 | 4-M16 | 65 | 50 | 4-o8 | F05 |
| 80 | 3" | 95 | 183 | 32 | 46 | 152.4 | 4-5/8"-11UNC-2B | 160 | 8-M16 | 160 | 8-M16 | 150 | 8-M16 | 65 | 50 | 4-o8 | F05 |
| 100 | 4" | 114 | 201 | 32 | 52 | 190.5 | 8-5/8"-11UNC-2B | 180 | 8-M16 | 180 | 8-M16 | 175 | 8-M16 | 90 | 70 | 4-o10 | F07 |
| 125 | 5" | 127 | 214 | 32 | 56 | 215.9 | 8-3/4"-10UNC-2B | 210 | 8-M16 | 210 | 8-M16 | 210 | 8-M20 | 90 | 70 | 4-o10 | F07 |
| 150 | 6" | 139 | 229 | 32 | 56 | 241.3 | 8-3/4"-10UNC-2B | 240 | 8-M20 | 240 | 8-M20 | 240 | 8-M20 | 90 | 70 | 4-o10 | F07 |
| 200 | 8" | 175 | 257 | 45 | 60 | 298.4 | 8-3/4"-10UNC-2B | 295 | 8-M20 | 295 | 12-M20 | 290 | 12-M20 | 125 | 102 | 4-o12 | F10 |
| 250 | 10" | 203 | 280 | 45 | 68 | 361.9 | 12-7/8"-9UNC-2B | 350 | 12-M20 | 355 | 12-M24 | 355 | 12-M22 | 125 | 102 | 4-o12 | F10 |
| 300 | 12" | 242 | 327 | 45 | 78 | 431.8 | 12-7/8"-9UNC-2B | 400 | 12-M20 | 410 | 12-M24 | 400 | 16-M22 | 125 | 102 | 4-o12 | F10 |
注:由于產品改進技術創新參數可能有一定變化,公司不另行通知,請咨詢公司技術部門索取新數據。
下載:上海川滬閥門有限公司-產品樣本-D971X電動凸耳式蝶閥.PDF
D971X電動凸耳式蝶閥鏈接:http://www.danney.cn/products/diandongdiefa/td971x.html



























