提供專業控制閥解決方案! 銷售熱線:021-51863046
上海川滬閥門有限公司
ShangHai Chuanhu Valve CO.,LTD
我們做的不僅是產品還是解決方案
川滬閥門品牌:電動球閥、電動蝶閥、氣動球閥、氣動蝶閥、電動調節閥、氣動調節閥
自力式調節閥、快速切斷閥、低溫閥門、耐腐蝕閥門、衛生級閥門、截止閥、閘閥
電動執行器、氣動執行器
BLF電動粉體蝶閥
一、BLF電動粉體蝶閥 產品概述
上海川滬閥門有限公司生產的BLF電動粉體蝶閥,是專門用于粉體,顆粒物料的工業產品。閥體橡膠密封圈形成的軟性密封使其非常適合各利粉體,顆粒物料的應用場合,特別是對于磨損性強的物料。在需要重力落料或氣力輸送的粉體,顆粒物料處理系統中,BLF電動粉體蝶閥常常被安裝在料斗,筒倉,螺旋輸送機出口以及氣送管路上。根據應用要求,可以單獨選配驅動手柄或者電動執行器。接入220V電壓即可控制閥門的開關,也可以接入控制模塊,輸入控制信號4-20mA或1-5V DC進行控制。
特點:
1.BLF電動粉體蝶閥由粉體板、丁晴密封圈,覆以耐磨高分子材料加工而成,具有重量輕、安裝維護簡便等特點,是一種性價比極高的電動粉體閥門。有手動、電動、氣動、齒輪馬達帶動等驅動裝置,可互為調換。雙法蘭BLF電動粉體蝶閥帶有2個相同的法蘭面;而單法蘭BLF電動粉體蝶閥部配有一個伸出的連接環用以安裝軟套管。
2.緊湊的結構、超輕的重量,使您安裝使用更加方便;工業化的設計加上復合閥板的使用提供了好的密封效果和長的使用壽命。
3.可以任何位置安裝,維修方便。
適用場景:
BLF電動粉體蝶閥可以廣泛使用于水泥、面粉等粉體介質的使用場合,達到很好的使用效果。
二、BLF電動粉體蝶閥 產品圖片
![]() |
<![]() |
| BLF電動粉體蝶閥 | BL2F電動粉體蝶閥 |
三、BLF電動粉體蝶閥 零部件材料
| 型號 | BLD-F | |
|---|---|---|
| 公稱通徑(mm) | DN100-DN400 | |
| 壓力(Mpa) | 0-0.2 | |
| 主要零件 | 閥體 | 壓鑄鋁合金 |
| 閥板 | 碳鋼內襯板,覆以耐磨高分子材料 | |
| 密封圈 | 丁晴橡膠(NBR) | |
| 適用介質 | 水泥、泥漿、粉體 | |
| 適用溫度(℃) | -15~100 | |
| 氣動執行器 | 型號 | CP、GT系列、AT系列、AW系列 |
| 壓力(Mpa) | 0.4~0.7 | |
四、BLF電動粉體蝶閥 執行器參數
| 執行器類別 | CH系列執行器參數 | HQ系列執行器參數 |
|---|---|---|
| 電源電壓 | 標準:220V AC單相 可選:110V AC 單相、380/440V AC 三相、24V/110V/220V AC | |
| 輸出力矩 | 50N·M~2000N·M | 50N·M~3000N·M |
| 動作范圍 | 0~90° 0~360° | 0~90°、0°~270°可選 |
| 控制方式 | 開關到位燈(開關兩位控制)、無源觸點信號、1/5K電位計、智能調節(4~20mA模擬量信號控制) | |
| 動作時間 | 15秒/30秒/60秒 | 18S~112S |
| 保護裝置 | 過熱保護 | 內置過熱保護、過載保護 |
| 環境溫度 | -30°~60° | -20℃~+70℃ |
| 手動操作 | 同附帶手柄操作 | 機械離合機構,配手輪操作 |
| 機械限位 | 電氣、機械二重限位 | 2個外部調整螺栓 |
| 防護等級 | IP65 | IP65、IP67、可定制IP68 |
| 防爆等級 | 無防爆 | ExdⅡ BT4,ExdⅡ CT6 |
| 位置測量 | 可選裝開關或電位計 | 電位計、比例控制單元 |
| 驅動電機 | 8W/E | 鼠籠式異步電機 |
| 進線接口 | PE1/2〞進線線鎖 | 2個 PF 3/4" |
| 殼體材料 | 鋁合金 | 鋼,鋁合金,鋁青銅,聚碳酸脂 |
| 外涂層 | 干粉,環氧聚酯,具有超強防腐功能 | |
| 采用獨特的電制動線路,因而定位精度高,執行機構靈敏,啟動停止迅速,運行平穩。同時具有抗干擾、抗浪涌電壓、防擊穿能力強的特點 | ||
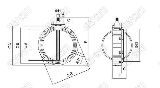
五、BLF電動粉體蝶閥 單法蘭粉體蝶閥結構圖
![]() |
![]() |
六、BLF電動粉體蝶閥 單法蘭粉體蝶閥連接尺寸
| 型號 | φA | φB | φC | φD | E | F | G | φH | φH孔徑×數量 | φP外凹槽直徑×數量 | φR | S | T | U | V | Z | KG |
|---|---|---|---|---|---|---|---|---|---|---|---|---|---|---|---|---|---|
| BL1F100 | 95 | 180 | 220 | 105 | 250 | 115 | 35 | 22×19 | 14×4 | 20×4 | 220 | 40 | 80 | M12 | 50 | M10 | 4 |
| BL1F150 | 150 | 200 | 228 | 163 | 290 | 115 | 35 | 22×19 | 14×4 | 20×4 | 228 | 40 | 80 | M12 | 50 | M10 | 5 |
| BL1F200 | 200 | 250 | 278 | 213 | 340 | 115 | 35 | 22×19 | 14×4 | 20×4 | 278 | 40 | 80 | M12 | 50 | M10 | 6.5 |
| BL1F250 | 250 | 300 | 328 | 263 | 390 | 115 | 35 | 22×19 | 14×8 | 20×8 | 328 | 40 | 80 | M12 | 50 | M10 | 7.5 |
| BL1F300 | 300 | 350 | 378 | 313 | 440 | 115 | 35 | 22×19 | 14×8 | 20×16 | 378 | 40 | 80 | M12 | 50 | M10 | 9 |
| BL1F350 | 350 | 400 | 440 | 363 | 530 | 123 | 50 | 28×25 | 14×8 | 20×8 | 440 | 40 | 80 | M12 | 50 | M10 | 16 |
| BL1F400 | 400 | 470 | 530 | 413 | 580 | 123 | 50 | 28×25 | 14×8 | 20×16 | 530 | 40 | 80 | M12 | 50 | M10 | 20.5 |
七、BLF電動粉體蝶閥 雙法蘭粉體蝶閥結構圖
![]() |
![]() |
八、BLF電動粉體蝶閥 雙法蘭粉體蝶閥連接尺寸
| 型號 | φA | φB | φC | φD | E | F | G | φH | φH孔徑×數量 | φP外凹槽直徑×數量 | φR | S | T | U | V | Z | KG |
|---|---|---|---|---|---|---|---|---|---|---|---|---|---|---|---|---|---|
| BL2F100 | 95 | 180 | 220 | - | 250 | 77 | 35 | 22×19 | 14×4 | 20×4 | 220 | - | 80 | M12 | 50 | M10 | 4 |
| BL1F150 | 150 | 200 | 228 | - | 290 | 77 | 35 | 22×19 | 14×4 | 20×4 | 228 | - | 80 | M12 | 50 | M10 | 5 |
| BL2F200 | 200 | 250 | 278 | - | 340 | 77 | 35 | 22×19 | 14×4 | 20×4 | 278 | - | 80 | M12 | 50 | M10 | 6.5 |
| BL2F250 | 250 | 300 | 328 | - | 390 | 115 | 35 | 22×19 | 14×8 | 20×8 | 328 | - | 80 | M12 | 50 | M10 | 7.5 |
| BL1F300 | 300 | 350 | 378 | - | 440 | 115 | 77 | 22×19 | 14×8 | 20×16 | 378 | - | 80 | M12 | 50 | M10 | 9 |
| BL2F350 | 350 | 400 | 440 | - | 530 | 85 | 50 | 28×25 | 14×8 | 20×8 | 440 | - | 80 | M12 | - | - | 16 |
| BL2F400 | 400 | 470 | 530 | - | 580 | 85 | 50 | 28×25 | 14×8 | 20×16 | 530 | - | 80 | M12 | - | - | 20.5 |
注:由于產品改進技術創新參數可能有一定變化,公司不另行通知,請咨詢公司技術部門索取新數據。
下載:上海川滬閥門有限公司-產品樣本-BLF電動粉體蝶閥.PDF
BLF電動粉體蝶閥鏈接:http://www.danney.cn/products/diandongdiefa/ddftdf.html































