提供專業控制閥解決方案! 銷售熱線:021-5186 3046
上海川滬閥門有限公司
ShangHai Chuanhu Valve CO.,LTD
我們做的不僅是產品還是解決方案
川滬閥門品牌:電動球閥、電動蝶閥、氣動球閥、氣動蝶閥、電動調節閥、氣動調節閥
自力式調節閥、快速切斷閥、低溫閥門、耐腐蝕閥門、衛生級閥門、截止閥、閘閥
電動執行器、氣動執行器
電動高壓內螺紋球閥
一、電動高壓內螺紋球閥 產品概述
上海川滬閥門有限公司生產的電動高壓內螺紋球閥由鍛鋼高壓閥體及電子式角行程電動執行器組成。電動執行器采用一體式結構,輸入220V電源即可直接進行開關量調節,亦可內置伺服模塊,輸入控制信號(4~20mADC或1~5VDC)及單相電源即可控制運轉。電動高壓螺紋球閥主要零部件經過專業廠家鍛制,克服了鑄鋼閥門潛在的缺陷,在大工作壓力下能夠保持其結構的抗壓均勻性。適用介質: 水、油、氣等非腐蝕性介質和酸堿腐蝕性介質。
型號:
CHQ911F、CHQ911PPL、CHQ911N
特點:
1、閥門大小范圍廣,小可以做到6mm,大通徑可以做到100mm
2、電動高壓內螺紋球閥開閉靈活、密封可靠,適合在泄露要求嚴格的場合使用
3、高壓球閥閥體可以和精小型電動執行器或者防爆型電動執行器組合使用,覆蓋應用場所廣泛。
適用場景:
電動高壓螺紋球閥廣泛應用于化工、石油、天然氣、冶金、等行業及含硫化氫介質、雜質多、腐蝕嚴重的場合。
二、電動高壓內螺紋球閥 產品圖片
![]() |
| 電動高壓內螺紋球閥 |
三、電動高壓內螺紋球閥 主要零部件材料
| 零件名稱 | 材料名稱 | |||
|---|---|---|---|---|
| 閥體 | WCB | 304(CF8) | 316(CF8M) | 316L(CF3M) |
| 球體 | 2Cr13+氮化處理 | 304 | 316 | 316L |
| 閥桿 | 2Cr13 | 304 | 316 | 316L |
| 密封圈 | 聚四氟乙烯(PTFE)、增強聚四氟乙烯(PPL)、對位聚苯、柔性石墨 | |||
四、電動高壓內螺紋球閥 技術參數
| 公稱通徑 DN(mm) | DN6 ~ 50 | |||||||||||||
|---|---|---|---|---|---|---|---|---|---|---|---|---|---|---|
| 允許壓差(MPa) | ≤公稱壓力 | |||||||||||||
| 閥體形式 | 三分體式鍛造閥體 | |||||||||||||
| 公稱壓力 | PN16.0、25.0、32.0、42.0 MPa;ANSI 150、300、600、900、1500、2500LB | |||||||||||||
| 連接形式 | 螺紋式(外螺紋、內螺紋) |
|||||||||||||
| 密封填料 | 尼龍、V型聚四氟乙烯填料等 | |||||||||||||
| 閥芯形式 | O型球體閥芯 | |||||||||||||
| 流量特性 | 近似快開特性 | |||||||||||||
| 動作范圍 | 0~90°、0~360° | |||||||||||||
| 泄露量Q | 軟密封:零泄漏 | |||||||||||||
| 基本誤差 | ±1% | |||||||||||||
| 回差 | ±1% | |||||||||||||
| 死區 | ≤1%(可調) | |||||||||||||
| 可調范圍 | 250:1 | |||||||||||||
| 配置執行機構 | 可配CHV、CHQ等系列角行程電動執行機構 | |||||||||||||
| 控制方式 | 開關到位燈(開關兩位控制)、無源觸點信號、1/5K電位計、智能調節(4~20mA模擬量信號控制) | |||||||||||||
五、電動高壓內螺紋球閥 執行器參數
| 執行器類別 | CHV系列執行器參數 | CHQ系列執行器參數 |
|---|---|---|
| 電源電壓 | 標準:220V AC單相 可選:110V AC 單相、380/440V AC 三相、24V/110V/220V AC | |
| 輸出力矩 | 50N·M~2000N·M | 50N·M~3000N·M |
| 動作范圍 | 0~90° 0~360° | 0~90°、0°~270°可選 |
| 控制方式 | 開關到位燈(開關兩位控制)、無源觸點信號、1/5K電位計、智能調節(4~20mA模擬量信號控制) | |
| 動作時間 | 15秒/30秒/60秒 | 18S~112S |
| 保護裝置 | 過熱保護 | 內置過熱保護、過載保護 |
| 環境溫度 | -30°~60° | -20℃~+70℃ |
| 手動操作 | 同附帶手柄操作 | 機械離合機構,配手輪操作 |
| 機械限位 | 電氣、機械二重限位 | 2個外部調整螺栓 |
| 防護等級 | IP65 | IP65、IP67、可定制IP68 |
| 防爆等級 | 無防爆 | ExdⅡ BT4,ExdⅡ CT6 |
| 位置測量 | 可選裝開關或電位計 | 電位計、比例控制單元 |
| 驅動電機 | 8W/E | 鼠籠式異步電機 |
| 進線接口 | PE1/2〞進線線鎖 | 2個 PF 3/4" |
| 殼體材料 | 鋁合金 | 鋼,鋁合金,鋁青銅,聚碳酸脂 |
| 外涂層 | 干粉,環氧聚酯,具有超強防腐功能 | |
| 采用獨特的電制動線路,因而定位精度高,執行機構靈敏,啟動停止迅速,運行平穩。同時具有抗干擾、抗浪涌電壓、防擊穿能力強的特點 | ||
六、電動高壓內螺紋球閥 性能規范
| 公稱通徑DN(mm) | DN15-300 | |||||
|---|---|---|---|---|---|---|
| 公稱壓力 | PN(MPa) | 10.0 | 16.0 | 25.0 | 32.0 | 42.0 |
| 試驗壓力 | 強度試驗 | 15.0 | 24.0 | 37.5 | 48.0 | 63.0 |
| 密封試驗 | 11.0 | 17.6 | 27.5 | 35.2 | 46.2 | |
| 低壓氣密試驗 | 0.5~0.7 | |||||
| 適用介質 | 天然氣、水、油、蒸氣、硝酸類(溫度≤130℃)、醋酸類(溫度≤200℃) | |||||
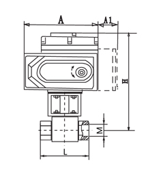
七、電動高壓內螺紋球閥 結構圖
![]() |
八、電動高壓內螺紋球閥 連接尺寸
| 公稱通徑 | 6 | 8 | 10 | 15 | 20 | 25 | 32 | 40 | 50 |
|---|---|---|---|---|---|---|---|---|---|
| L | 72 | 72 | 78 | 86 | 108 | 116 | 136 | 148 | 180 |
| M | M14X1.5 | M14X1.5 | M18X1.5 | M22X1.5 | M27X2 | M33X2 | M42X2 | M48X2 | M64X2 |
A1 |
40 | 40 | 40 | 40 | 40 | 40 | 40 | 40 | 40 |
注:由于產品改進技術創新參數可能有一定變化,公司不另行通知,請咨詢公司技術部門索取新數據。
下載:上海川滬閥門有限公司-產品樣本-電動高壓內螺紋球閥.PDF
電動高壓內螺紋球閥鏈接:http://www.danney.cn/products/diandongqiufa/q911n.html


































