提供專業控制閥解決方案! 銷售熱線:021-51863046
上海川滬閥門有限公司
ShangHai Chuanhu Valve CO.,LTD
我們做的不僅是產品還是解決方案
川滬閥門品牌:電動球閥、電動蝶閥、氣動球閥、氣動蝶閥、電動調節閥、氣動調節閥
自力式調節閥、快速切斷閥、低溫閥門、耐腐蝕閥門、衛生級閥門、截止閥、閘閥
電動執行器、氣動執行器
程控閥(氣動程控閥)
一、程控閥 產品概述
程控閥屬于強制密封式閥門,氣動閥門關閉時,必須向閥瓣施加壓力,以強制密封面不泄漏。當介質由閥瓣下方進入閥瓣時,操作力所需要克服的阻力,是閥桿和填料的磨擦力與由介質的壓力所產生的推力,關閥門的力比開閥門的力大,所以閥桿的直徑要大,否則會發生閥桿頂彎的故障。截止閥的介質流向就改由閥瓣上方進入閥腔,在介質壓力作用下,關閥門的力小,而開閥門的力大,閥桿的直徑可以相應地減少。同時,在介質作用下,這種形式的閥門也較嚴密。
特點:
1、選材考究,符合國內、外相關標準,結構合理,造型美觀。
2、閥瓣、閥座密封面采用鐵基合金堆焊或司太立(Stellite)鈷基硬質合金堆焊而成,耐磨、耐高溫、耐腐蝕、抗擦傷性能好,使用壽命長。
4、閥桿經調質及表面氮化處理,有良好的抗腐蝕性和抗擦傷性。
5、可采用各種配管法蘭標準及法蘭密封面型式,滿足各種工程需要及用戶要求。
6、閥體材料品種齊全,填料、墊片可根據實際工況或用戶要求合理選配,能適用于各種壓力、溫度及介質工況。
7、倒密封采用螺紋連接密封座或本體堆焊奧氏體不銹鋼而成,密封可靠,更換填料可在不停機情況下進行,方便快捷,不影響系統運行。
二、程控閥 產品圖片
![]() |
![]() |
| 程控閥(氣動程控閥) | 程控閥(氣動程控閥) |
三、程控閥 零部件材料
| 閥體 | 閥蓋 | 閥瓣 | 密封圈 | 閥桿 | 填料 | 適用介質 | 適用溫度 (≤℃) |
|---|---|---|---|---|---|---|---|
| WCB | WCB+D507MO | D577 | 2Crl3 | 柔性石墨 | 水、油品、蒸汽 | 425 | |
| ZGlCrl8Ni9Ti | 0Crl8Ni9Ti Stellite12 |
Stellite6 | lCrl8Ni9Ti | PTFE | 硝酸類 | 200 | |
| ZGlCrl8Ni2Mo2Ti | CF8M Stellite12 |
lCrl8Ni2Mo2Ti | lCrl8Ni2Mo2Ti | PTFE | 磷酸類、 堿類、混酸 |
200 | |
| ZG00Crl7Nil4M02 | CF3M Stellite12 |
Stel1ite6 | 316L | PTFE | 磷酸類、 尿素、甲銨液 |
200 | |
| ZGlCr5MO | ZGlCr5MO Stellite12 |
Stel1ite6 | 25Cr2Mo1VA | 柔性石墨 | 水、油品、蒸汽 | 550 | |
四、程控閥 執行標準
| 設計與制造 | GB/T1223 | |
|---|---|---|
| 連接端尺寸 | 結構長度 | GB/T12221 |
| 法蘭尺寸 | JB/T79 | |
| 檢驗與試驗 | JB/T9092 | |
| 材 料 | 碳鋼 | GB/T12229 |
| 不銹鋼 | GB/T12230 | |
| 合金鋼 | Q/ZB6 | |
| 標 志 | GB/T12220 | |
| 供 貨 | JB/T7928 | |
五、程控閥 執行器參數
| 執行器型號 | ZS系列單雙作用氣動執行器 |
|---|---|
| 供氣壓力 | 0.4~0.7MPa |
| 氣源接口 | G1/4"、G1/8"、G3/8"、G1/2" |
| 環境溫度 | -30~+70℃ |
| 作用形式 | 單作用執行機構:氣關式(B)--失氣時閥位開(FO);氣開式(K)--失氣時閥位關(FC) |
六、程控閥 性能規范
| 公稱通徑 | DN(mm) | 50~1000 | ||
|---|---|---|---|---|
| 公稱壓力 | PN(MPa) | 0.6 | 1.0 | 1.6 |
| 試驗壓力 | 強度試驗 | 0.9 | 1.5 | 2.4 |
| 密封試驗 | 0.66 | 1.1 | 1.76 | |
| 氣密封試驗 | 0.6 | 0.6 | 0.6 | |
| 適用介質 | 空氣、水、污水、蒸氣、煤氣、油品等。 | |||
| 驅動形式 | 氣動傳動 | |||
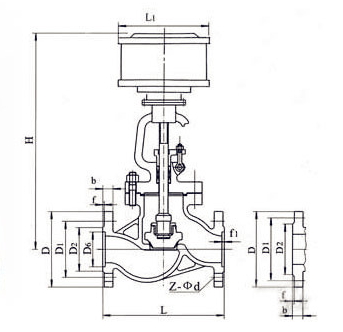
七、程控閥 結構圖
![]() |
八、程控閥 連接尺寸
| 公稱壓力PN(MPa) | 公稱通徑DN(mm) | 標準值 | 參考值 | |||||||||
|---|---|---|---|---|---|---|---|---|---|---|---|---|
| L | D | D1 | n2 | D6 | b | f | f1 | Z-φd | L1 | H | ||
| 1.6 | 50 | 230 | 160 | 125 | 100 | / | 16 | 3 | / | 4-φ18 | 185 | 645 |
| 65 | 290 | 180 | 145 | 120 | / | 18 | 3 | / | 4-φ18 | 232 | 690 | |
| 80 | 310 | 195 | 160 | 135 | / | 20 | 3 | / | 8-φ18 | 232 | 715 | |
| 100 | 350 | 215 | 180 | 155 | / | 20 | 3 | / | 8-φ18 | 232 | 770 | |
| 125 | 400 | 254 | 210 | 185 | / | 22 | 3 | / | 8-φ18 | 283 | 780 | |
| 150 | 480 | 280 | 240 | 210 | / | 24 | 3 | / | 8-φ23 | 283 | 810 | |
| 200 | 600 | 335 | 295 | 265 | / | 26 | 3 | / | 12-φ23 | 283 | 967 | |
| 250 | 622 | 405 | 355 | 320 | / | 30 | 3 | / | 12-φ25 | 283 | 1143 | |
| 300 | 698 | 460 | 410 | 375 | / | 30 | 4 | / | 12-φ25 | 283 | 1292 | |
| 2.5 | 50 | 230 | 160 | 125 | 100 | / | 20 | 3 | / | 4-φ18 | 185 | 645 |
| 65 | 290 | 180 | 145 | 120 | / | 22 | 3 | / | 8-φ18 | 232 | 690 | |
| 80 | 310 | 195 | 160 | 135 | / | 22 | 3 | / | 8-φ18 | 232 | 715 | |
| 100 | 350 | 230 | 190 | 160 | / | 24 | 3 | / | 8-φ23 | 232 | 770 | |
| 125 | 400 | 270 | 220 | 188 | / | 28 | 3 | / | 8-φ25 | 283 | 780 | |
| 150 | 480 | 300 | 250 | 218 | / | 30 | 3 | / | 8-φ25 | 283 | 810 | |
| 200 | 600 | 360 | 310 | 278 | / | 34 | 3 | / | 12-φ25 | 283 | 967 | |
| 250 | 622 | 425 | 370 | 332 | / | 36 | 3 | / | 12-φ30 | 283 | 1143 | |
| 300 | 698 | 485 | 430 | 390 | / | 40 | 4 | / | 16-φ30 | 283 | 1292 | |
| 4.0 | 50 | 230 | 160 | 125 | 100 | 88 | 20 | 3 | 4 | 4-φ18 | 185 | 645 |
| 65 | 290 | 180 | 145 | 120 | 110 | 22 | 3 | 4 | 8-φ18 | 232 | 690 | |
| 80 | 310 | 195 | 160 | 135 | 121 | 22 | 3 | 4 | 8-φ18 | 232 | 715 | |
| 100 | 350 | 230 | 190 | 160 | 150 | 24 | 3 | 4.5 | 8-φ23 | 232 | 770 | |
| 125 | 400 | 270 | 220 | 188 | 176 | 28 | 3 | 4.5 | 8-φ25 | 283 | 782 | |
| 150 | 480 | 300 | 250 | 218 | 204 | 30 | 3 | 4.5 | 8-φ25 | 283 | 875 | |
| 200 | 600 | 375 | 320 | 282 | 260 | 38 | 3 | 4.5 | 12-φ30 | 283 | 1160 | |
注:由于產品改進技術創新參數可能有一定變化,公司不另行通知,請咨詢公司技術部門索取新數據。
下載:上海川滬閥門有限公司-產品樣本-程控閥.PDF
本產品鏈接:http://www.danney.cn/products/kuaisuqieduanfa/ckf.html



















