提供專業控制閥解決方案! 銷售熱線:021-51863046
上海川滬閥門有限公司
ShangHai Chuanhu Valve CO.,LTD
我們做的不僅是產品還是解決方案
川滬閥門品牌:電動球閥、電動蝶閥、氣動球閥、氣動蝶閥、電動調節閥、氣動調節閥
自力式調節閥、快速切斷閥、低溫閥門、耐腐蝕閥門、衛生級閥門、截止閥、閘閥
電動執行器、氣動執行器
氣動切斷蝶閥
一、氣動切斷蝶閥 產品概述
上海川滬閥門有限公司生產的氣動切斷蝶閥D671X、D641X氣動切斷蝶閥亦屬中線軟密封蝶閥,是管線優先選用的常規蝶閥,具有結構簡潔,流阻系數小,流量特性趨于直線,不會滯留雜物。且重量輕,安裝方便,驅動扭矩較小的優點。氣動切斷蝶閥既可作切斷介質用,又可作調節介質的流量用。閥體密封圈分丁晴橡膠、四氟橡膠,泄露量可達零。選用不同材料的零件,配用不同材料的密封圈,可適應不同的介質、工況,使成本與性能達到佳效果。小口徑的氣動切斷蝶閥,工作時開啟關閉的時間可以在1-3秒。
特點:
1、小巧輕便,容易拆裝及維修,并可在任意位置安裝。
2、結構簡單、緊湊,操作扭矩小,90°回轉開啟迅速。
3、流量特性為直線,調節性能好。
4、蝶板與閥桿的連接采用無銷釘結構,克服了有可能的內泄漏點。
5、蝶板外圓采用球面造型,提高了密封性能及延長了閥門的使用壽命,帶壓啟閉5萬次以上仍保持零泄漏。
6、密封件可更換,且密封可靠達到雙向密封。
7、蝶板可根據用戶要求噴涂覆層,如尼龍或聚四氟類。
8、氣動切斷蝶閥可設計成法蘭連接和對夾連接。
適用場景:
氣動切斷蝶閥適用于溫度≤120℃或≤150℃,公稱壓力≤1.6MPa給排水、污水、食品、供暖、燃氣、船舶、水電、冶金、能源系統以及輕紡等行業,特別適用于泄露量要求較高、有腐蝕性的場合,作調節流量和截流介質。
二、氣動切斷蝶閥 產品圖片
![]() |
![]() |
| 氣動切斷蝶閥(對夾式) | 氣動切斷蝶閥(法蘭式) |
三、氣動切斷蝶閥 零部件材料
| 零件名稱 | 材料 |
|---|---|
| 閥體 | 球墨鑄鋼、鑄鋼、合金鋼、不銹鋼 |
| 蝶板 | 灰鑄鐵、球墨鑄鋼、鑄鋼、不銹鋼及特殊材料 |
| 密封圈 | 各種橡膠、聚四氟 |
| 閥桿 | 2Cr13、不銹鋼 |
| 填料 | O型圈、柔性石墨O |
四、氣動切斷蝶閥 技術參數
| 公稱通徑DN(mm) | DN50~1000mm |
|---|---|
| 公稱壓力(MPa) | PN1.0、1.6、2.5MPa |
| 閥體形式 | 直通鑄造閥體 |
| 連接形式 | 法蘭式、對夾式 |
| 閥芯形式 | 蝶板式 |
| 密封填料 | 柔性石墨、聚四氟乙烯 |
| 基本誤差 | 帶定位器:小于全行程的±2% |
| 回差 | 帶定位器:小于全行程的±2% |
| 控制方式 | 開關型(開關兩位控制) |
五、氣動切斷蝶閥 執行器參數
| 執行器型號 | GT、AT、AR、AW系列單雙作用氣動執行器 |
|---|---|
| 供氣壓力 | 0.4~0.7MPa |
| 氣源接口 | G1/4"、G1/8"、G3/8"、G1/2" |
| 環境溫度 | -30~+70℃ |
| 作用形式 | 單作用執行機構:氣關式(B)--失氣時閥位開(FO);氣開式(K)--失氣時閥位關(FC) |
六、氣動切斷蝶閥 性能規范
| 公稱通徑 | DN(mm) | 50~1000 | ||
|---|---|---|---|---|
| 公稱壓力 | PN(MPa) | 0.6 | 1.0 | 1.6 |
| 試驗壓力 | 強度試驗 | 0.9 | 1.5 | 2.4 |
| 密封試驗 | 0.66 | 1.1 | 1.76 | |
| 氣密封試驗 | 0.6 | 0.6 | 0.6 | |
| 適用介質 | 空氣、水、污水、蒸氣、煤氣、油品等。 | |||
| 驅動形式 | 氣動傳動 | |||
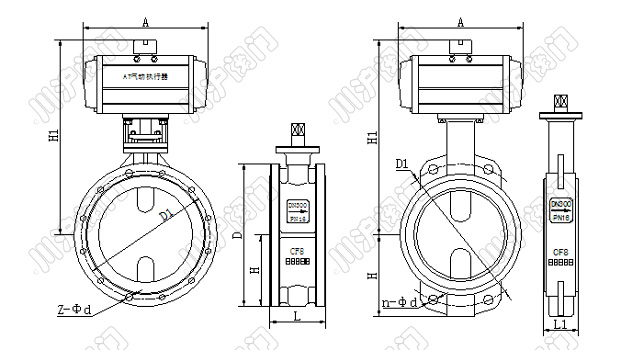
七、氣動切斷蝶閥 結構圖
![]() |
八、氣動切斷蝶閥 連接尺寸
| 公稱通徑 | 結構長度 | 外形尺寸(參考值) | 連接尺寸(標準值) | ||||||||||||
|---|---|---|---|---|---|---|---|---|---|---|---|---|---|---|---|
| 0.6MPa | 1.0MPa | 1.6MPa | |||||||||||||
| 毫米 | 英寸 | L | L1 | H | H1 | A | D | D1 | n-d | D | D1 | n-d | D | D1 | n-d |
| 50 | 2 | 108 | 43 | 63 | 315 | 180 | 140 | 110 | 4-14 | 165 | 125 | 4-18 | 165 | 125 | 4-18 |
| 65 | 21/2 | 112 | 46 | 70 | 330 | 180 | 160 | 130 | 4-14 | 185 | 145 | 4-18 | 185 | 145 | 4-18 |
| 80 | 3 | 114 | 46 | 83 | 390 | 245 | 190 | 150 | 4-18 | 200 | 160 | 8-18 | 200 | 160 | 8-18 |
| 100 | 4 | 127 | 52 | 105 | 431 | 240 | 210 | 170 | 4-18 | 220 | 180 | 8-18 | 220 | 180 | 8-18 |
| 125 | 5 | 140 | 56 | 115 | 455 | 240 | 240 | 200 | 8-18 | 250 | 210 | 8-18 | 250 | 210 | 8-18 |
| 150 | 6 | 140 | 56 | 137 | 626 | 350 | 265 | 225 | 8-18 | 285 | 240 | 8-22 | 285 | 240 | 8-22 |
| 200 | 8 | 152 | 60 | 164 | 720 | 350 | 320 | 280 | 8-18 | 340 | 295 | 8-22 | 340 | 295 | 12-22 |
| 250 | 10 | 165 | 68 | 206 | 800 | 550 | 375 | 335 | 12-18 | 395 | 350 | 12-22 | 405 | 355 | 12-26 |
| 300 | 12 | 178 | 78 | 230 | 860 | 600 | 440 | 395 | 12-22 | 445 | 400 | 12-22 | 460 | 410 | 12-26 |
| 350 | 14 | 190 | 78 | 248 | 883 | 600 | 490 | 445 | 12-22 | 505 | 460 | 16-22 | 520 | 470 | 16-26 |
| 400 | 16 | 216 | 102 | 289 | 972 | 600 | 540 | 495 | 16-22 | 565 | 515 | 16-26 | 580 | 525 | 16-30 |
| 450 | 18 | 222 | 114 | 320 | 1043 | 750 | 595 | 550 | 16-22 | 615 | 565 | 20-26 | 640 | 585 | 20-30 |
| 500 | 20 | 229 | 127 | 343 | 1098 | 750 | 645 | 600 | 20-22 | 670 | 620 | 20-26 | 715 | 650 | 20-33 |
| 600 | 24 | 267 | 154 | 413 | 1236 | 750 | 755 | 705 | 20-26 | 780 | 725 | 20-30 | 840 | 770 | 20-36 |
| 700 | 28 | 430 | 165 | 478 | 1431 | 750 | 860 | 810 | 24-26 | 895 | 840 | 24-30 | 910 | 840 | 24-36 |
| 800 | 32 | 470 | 190 | 525 | 1488 | 750 | 975 | 920 | 24-30 | 1015 | 950 | 24-33 | 1025 | 950 | 24-39 |
| 900 | 36 | 510 | 203 | 620 | 1615 | 1250 | 1075 | 1020 | 24-30 | 1115 | 1050 | 28-33 | 1125 | 1050 | 28-39 |
| 1000 | 40 | 550 | 216 | 725 | 1765 | 1500 | 1175 | 1120 | 28-30 | 1230 | 1160 | 28-36 | 1255 | 1170 | 28-42 |
| 1200 | 48 | 630 | 254 | 780 | 1976 | 1500 | 1405 | 1340 | 32-33 | 1455 | 1380 | 32-39 | 1485 | 1390 | 32-48 |
注:由于產品改進技術創新參數可能有一定變化,公司不另行通知,請咨詢公司技術部門索取新數據。
下載:上海川滬閥門有限公司-產品樣本-氣動切斷蝶閥.PDF
本產品鏈接:http://www.danney.cn/products/kuaisuqieduanfa/d671x.html



















