提供專業控制閥解決方案! 銷售熱線:021-5186 3046
上海川滬閥門有限公司
ShangHai Chuanhu Valve CO.,LTD
我們做的不僅是產品還是解決方案
川滬閥門品牌:電動球閥、電動蝶閥、氣動球閥、氣動蝶閥、電動調節閥、氣動調節閥
自力式調節閥、快速切斷閥、低溫閥門、耐腐蝕閥門、衛生級閥門、截止閥、閘閥
電動執行器、氣動執行器
美標球閥
一、美標球閥 產品概述
Q41F美標球閥,適用于Class150~Class1500 的各種管路上,用于截斷或接通管路中的介質。
特點:
1. 流體阻力小,其阻力系數與同長度的管段相等。
2. 結構簡單、體積小、重量輕。
3. 緊密可靠,目前球閥的密封面材料廣泛使用塑料、密封性好,在真空系統中也已廣泛使用。
4. 操作方便,開閉迅速,從全開到全關只要旋轉90°,便于遠距離的控制。
5. 維修方便,球閥結構簡單,密封圈一般都是活動的,拆卸更換都比較方便。
6. 在全開或全閉時,球體和閥座的密封面與介質隔離,介質通過時,不會引起閥門密封面的侵蝕。
7. 適用范圍廣,通徑從小到幾毫米,大到幾米,從高真空至高壓力都可應用。 球旋轉90度時,在進、出口處應全部呈現球面,從而截斷流動。
適用場景:
美標球閥Q41F廣泛適用于水、蒸汽、油品、液化氣、天然氣、煤氣、硝酸、醋酸、氧化性介質、尿素等多種介質。
二、美標球閥 產品圖片
![]() |
![]() |
| 美標球閥(鑄鋼法蘭連接) | 美標球閥(不銹鋼法蘭連接) |
三、美標球閥 零部件參數
| 名稱 | WCB類 | CF8類 | CF3類 | CF8M類 | CF3M類 | |
|---|---|---|---|---|---|---|
| 閥體左體 | A216-WCB | A315-CF8 | A35-CF3 | A351-CF8M | A351-CF3M | |
| 球體 | B2-B8 | A105-1025 | A182-F304L | A182-F304L | A132-F316 | A182-F316L |
| B8以上 | A216-WCB | A351-CF8M | A351-CF3 | A351-CF8M | A351-CF3M | |
| 閥桿 | A182-F6a | A182-F304 | A182-F304L | A182-F336 | A182-F316L | |
| 閥座 | PTFE/增強PTFE/NYLIN PTFE/Reinforced PTFE/Nyion | |||||
| 閥座支承圈 | A105-1025 | A182-F304 | A182-F304L | A182-F316 | A182-F316L | |
| 彈簧 | 3yc-7/17-49H | |||||
| O形圈 | NBR | 氟橡膠 | ||||
| 螺柱 | A193-B7 | A193-B8 | ||||
| 螺母 | A194-2H | A194-8 | ||||
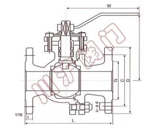
四、美標球閥 結構圖
![]() |
五、美標球閥 連接尺寸
| 公稱壓力 | 公稱通徑 | d | L | D | C | G | b | f | Z-Φd | H | W |
|---|---|---|---|---|---|---|---|---|---|---|---|
| Class 150 |
1/2" | 13 | 108 | 89 | 60.5 | 35 | 11.5 | 1.6 | 4-16 | 79 | 135 |
| 3/4" | 19 | 117 | 98 | 70 | 43 | 11.5 | 1.6 | 4-16 | 84 | 135 | |
| 1" | 25 | 127 | 108 | 79.5 | 51 | 12 | 1.6 | 4-16 | 95 | 170 | |
| 1-1/4" | 32 | 140 | 117 | 89 | 64 | 13 | 1.6 | 4-16 | 103 | 170 | |
| 1-1/2" | 38 | 165 | 127 | 98.5 | 73 | 15 | 1.6 | 4-16 | 111 | 200 | |
| 2" | 51 | 178 | 152 | 120.5 | 92 | 16 | 1.6 | 4-19 | 120 | 200 | |
| 2-1/2" | 64 | 190 | 178 | 139.5 | 105 | 18 | 1.6 | 4-19 | 153 | 300 | |
| 3" | 76 | 203 | 190 | 152.5 | 127 | 19 | 1.6 | 4-19 | 163 | 300 | |
| 4" | 102 | 229 | 229 | 190.5 | 157 | 24 | 1.6 | 8-19 | 182 | 400 | |
| 5" | 127 | 356 | 254 | 216 | 186 | 24 | 1.6 | 8-22 | 260 | 500 | |
| 6" | 152 | 394 | 279 | 241.5 | 216 | 26 | 1.6 | 8-22 | 280 | 800 | |
| 8" | 203 | 457 | 343 | 298.5 | 270 | 29 | 1.6 | 8-22 | - | 1100 | |
| Class 300 |
1/2" | 13 | 140 | 95 | 66.5 | 35 | 15 | 1.6 | 4-16 | 79 | 135 |
| 3/4" | 19 | 152 | 117 | 82.5 | 43 | 16 | 1.6 | 4-19 | 84 | 135 | |
| 1" | 25 | 165 | 124 | 89 | 51 | 18 | 1.6 | 4-19 | 95 | 170 | |
| 1-1/4" | 32 | 178 | 133 | 98.5 | 64 | 19 | 1.6 | 4-19 | 103 | 170 | |
| 1-1/2" | 38 | 190 | 156 | 114.5 | 73 | 21 | 1.6 | 4-22 | 111 | 200 | |
| 2" | 51 | 216 | 165 | 127 | 92 | 23 | 1.6 | 4-22 | 120 | 200 | |
| 2-1/2" | 64 | 241 | 190 | 149 | 105 | 26 | 1.6 | 8-19 | 153 | 300 | |
| 3" | 76 | 283 | 210 | 168.5 | 127 | 29 | 1.6 | 8-22 | 163 | 300 | |
| 4" | 102 | 305 | 254 | 200 | 157 | 32 | 1.6 | 8-22 | 182 | 400 | |
| 5" | 127 | 381 | 279 | 235 | 186 | 35 | 1.6 | 8-22 | 260 | 500 | |
| 6" | 152 | 403 | 318 | 270 | 216 | 37 | 1.6 | 12-22 | 280 | 800 | |
| 8" | 203 | 502 | 381 | 330 | 270 | 42 | 1.6 | 12-25 | - | 1100 |
六、美標球閥 安裝說明
1)、安裝位置、高度、進出口方向必須符合設計要求,連接應牢固緊密。
2)、安裝在保溫管道上的各類手動閥門,手柄均不得向下。
3)、閥門安裝前必須進行外觀檢查,閥門的銘牌應符合現行國家標準《通用閥門標志》GB 12220的規定。對于工作壓力大于1.0 MPa 及在主干管上起到切斷作用的閥門,安裝前應進行強度和嚴密性能試驗,合格后方準使用。強度試驗時,試驗壓力為公稱壓力的1.5倍,持續時間不少于5min,閥門殼體、填料應無滲漏為合格。嚴密性試驗時,試驗壓力為公稱壓力的1.1倍;試驗壓力在試驗持續的時間應符合GB 50243標準要求,以閥瓣密封面無滲漏為合格。
4)、閥法蘭與管線法蘭間按管路設計要求裝上密封墊。
5)、帶傳動機構的球閥,按產品使用說明書的規定安裝。
注:由于產品改進技術創新參數可能有一定變化,公司不另行通知,請咨詢公司技術部門索取新數據。
下載:上海川滬閥門有限公司-產品樣本-美標球閥.PDF
美標球閥鏈接:http://www.danney.cn/products/qiufa/mq41f.html
























